
作为电工从业者,看图、画图是必备技能之一。图纸就像电气设备的说明书,在电气安装、接线、查故障时,图纸是不可或缺重要参考依据。
对于基础继电控制,无论控制逻辑如何设置,其工作原理具备异曲同工的特点。因此作为电工初学者,我们要熟记部分常用电气控制原理图。熟知并掌握,对于电工维修可实现事半功倍的效果。

继电控制系统
第一张图为:正反转控制,正反转控制分为单重互锁、双重互锁两种方式。其中单重互锁指按钮或接触器采用任意一种方式,双重互锁指同时具备按钮与接触器互锁。

正反转控制逻辑
第二张图为:星三角启动,为控制大型设备启动电流压降影响,通过调压方式实现降压启动。设备刚启动时为星形启动,在延时继电器作用下实现三角形转换的一种控制方式。

星三角控制原理
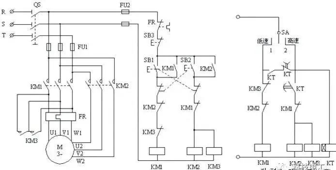
第三张图为:速度控制,指为满足不同速度要求,而设置的控制逻辑。如车床控制、风机控制、行车控制等。

速度控制原理
上述电工最经典的3张控制原理图,你学会了吗?能看懂更要会接线!只有技术娴熟,处理故障时才能熟能生巧!
本文转自网络,版权归原作者所有,如涉及作品版权问题,请及时联系我们删除。
