兰州石化专家详解优化安全仪表系统的复杂联锁
2023-08-17 19:31

本文内容来自:兰州石化公司百万吨乙烯项目筹备组专家吴建民先生!于陕西*西安“第四届西北地区化工(危化)企业自动化、信息化与安全改造应用技术论坛”上发表的报告!经燕化工平台作为此次大会官方合作媒体,享有会议资料独家分享权,如需转载请注明出处,如未经许可或未注明出处,将追究法律责任!
大会现场影像丙烯酸氧化单元的生产过程有以下特性:反应方式简单但生产过程苛刻。作为精细化工生
产方式的一种,除保证仪表设备完好运行的条件外,安全仪表系统稳定及可靠的运行也相当重要,但随着装置运行时间的增长,发现及暴露了一些顽疾。首先,装置早期建设时并未过多考虑安全仪表系统的可用性,联锁均采用单点方式,随着
装置十几年的运行,仪表故障率逐步开始攀升,参与联锁的仪表故障后,虽有库存备件,但由于单点联锁的设计无法提供给操作和维护人员充足的旁路及维护处置时间,更无法保证装置长周期运行。 其次,丙烯酸装置的安全仪表系统逻辑存在大量二维线性计算,随着装置负荷的不同,装置工艺参数的可操作范围也是变化的,从而导致联锁设定值一定是动态的,但在分散控制系统
操作画面上静态的高高或低低联锁设定值与安全仪表系统实际运算结果相差甚远,所以画面上
的设定值失去参考的意义。
第一反应爆炸区:


联锁区域:

操作点:

正常操作图形:

反应器压力变化对联锁的影响:


安全仪表系统仿真软件:

HIMA H51q系统处理器架构:

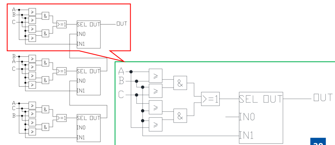
ElopII中三取中的实现:

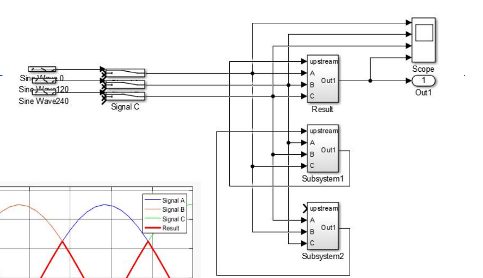
功能验证:


DeltaV DCS系统报警设定:

100%负荷时丙烯流量联锁值比较:

顺序查找:

折半查找:


DCS组态-参数及程序块部署:

通过本次优化项目实施,不仅在保证安全仪表系统安全性的基础上提升了系统的可用性,更重要的是对操作及维护人员的认知影响。操作人员可以了解到每个关键参数可正常操作的范围,对关键参数的识别能力及对关键参数变化对操作点和联锁区域变化的影响认识水平使仪表
维护人员对联锁的特殊性有了重新的认识,通过建立模型分析出各参数的重要程度,使仪表人
员了解到维护过程中的侧重面,辅以多种巡检手段对相关的仪表着重加强维护。更重要的,通
过改造过程使维护人员掌握各变量变化影响操作点的移动方向,从而知道在故障处理的过程中
切出哪个联锁,降低处理过程对生产的影响➢将本文链接分享至微信朋友圈1小时以上(禁止设置分组可见)截图或分享至化工相关微信群3分钟以上截图(两种方式任选其一),凭分享截图找小燕子领取。添加小燕子微信

