
(一)屠宰废水典型工艺流程
NEWS


(二)医院废水典型工艺流程
NEWS

(三)垃圾渗滤液典型工艺流程
NEWS



(四)养殖废水典型工艺流程
NEWS


(五)制药行业废水典型工艺流程
NEWS


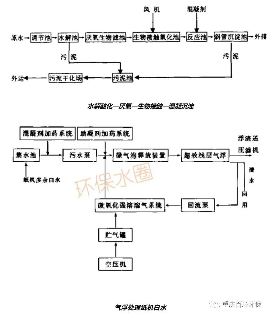
(六)造纸行业废水典型工艺流程
NEWS



(七)制革行业废水典型工艺流程
NEWS

(八)焦化废水典型工艺流程
NEWS


(九)电镀废水典型处理工艺
NEWS



(十)冶金废水典型处理工艺
NEWS


(十一)印染废水典型处理工艺
NEWS


(十二)食品加工废水典型处理工艺
NEWS

声明:本文来源:环保水圈。本号对转载、分享、陈述、观点保持中立,目的仅在于传递更多信息,版权归原作者所有。如涉及作品版权问题,请与本公众号后台联系,我们将尽快删除!
关于百环
百环环保自成立之日起全心致力于污染治理工程、净水纯水工程、系统运营维护改造、设备成套销售、环境监测及一站式技术咨询服务。未来,百环环保将持续以专业的技术内容、高效的服务态度、“求真务实、诚信谦和、力求完美”的百环精神,竭诚为客户和业主单位提供优良服务,同时也将以“天更蓝、水更绿、山更青”为目标,为改善环境,造福子孙而努力奋斗,为社会奉献更多环保精品工程。
往期精选
【工伤预防 护你安康】百环环保参加大渡口区工伤预防行动第一期专项培训
