机械设备
江浙沪需要供应商(机加件,油缸,液压站,大板
2025-11-15 20:10
江浙沪需要供应商(机加件,油缸,液压站,大板

江浙沪需要供应商(机加件,油缸,液压站,大板

江浙沪需要供应商(机加件,油缸,液压站,大板

江浙沪需要供应商(机加件,油缸,液压站,大板

江浙沪需要供应商(机加件,油缸,液压站,大板

江浙沪需要供应商(机加件,油缸,液压站,大板

江浙沪需要供应商(机加件,油缸,液压站,大板

江浙沪需要供应商(机加件,油缸,液压站,大板

江浙沪需要供应商(机加件,油缸,液压站,大板

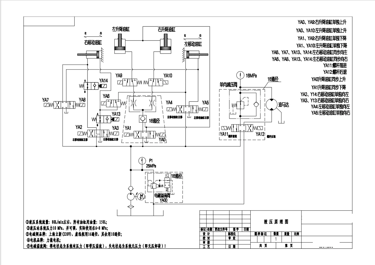
如图如图,看好上面的信息哈,地区江浙沪皖吧,远了也不方便,合适的话直接加v17768539296
发表评论
0评