



导管真空残留、泄漏测试仪是根据《YYT0339-2019呼吸道用吸引导管》标准研发来的,专门用于测定呼吸道用吸引导管的残留真空和泄漏的物理特性,是鉴定呼吸道用吸引导管的重要手段之一。
8.3 真空控制装置性能
吸引导管的残留真空应不超过0.33kPa(3.4cmHO)。
按附录C的方法来检验是否符合要求。
8.4泄漏
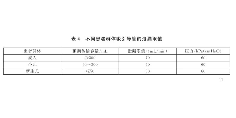
带有永久连接的患者端转换接头的封闭式吸引导管,在其预期用途所对应的患者群体时,应符合相应的泄漏要求(见表4)。
按SO5367:2014中5.4.3来检验是否符合要求,泄漏的限值见表4。
以下是残留真空试验方法
C1原理
使真空控制装置处于释放位置,在导管的机器端施加吸引,通过测试导管尖端的残留真空来检验机器端的真空控制装置释放真空的有效性。
C.2仪器
C.2.1流量计,可以测量 301/min,精度为士5%。在 30l/min的情况下气流阻力小于 0.1 kPa。
C.2.2可调节真空泵。
C.2.3 压力计,精度在士0.01kPa(0.1cmH,O)。
C.3 步骤
C.3.1 按图C1组装各个测试仪器,流量计安装于真空泵的出气口,确保导管与压差计呈气密性装配。
C.3.2 对于开放式的导管,打开导管真空控制装置到释放状态,开启真空泵,调整流量到流量计指示在
30/min.
C.3.3对于封闭式的导管,拆掉压力计,开启真空控制装置,开启真空泵,调整流量至30l/min。将真空控制装置打到关闭位置,然后再装上压力计。
结果表示
以压力计上测得的残留真空值表示结果,以kPa表示。
以上信息由威夏科技整理发布,希望对您有所帮助。
8.3 真空控制装置性能
吸引导管的残留真空应不超过0.33kPa(3.4cmHO)。
按附录C的方法来检验是否符合要求。
8.4泄漏
带有永久连接的患者端转换接头的封闭式吸引导管,在其预期用途所对应的患者群体时,应符合相应的泄漏要求(见表4)。
按SO5367:2014中5.4.3来检验是否符合要求,泄漏的限值见表4。
以下是残留真空试验方法
C1原理
使真空控制装置处于释放位置,在导管的机器端施加吸引,通过测试导管尖端的残留真空来检验机器端的真空控制装置释放真空的有效性。
C.2仪器
C.2.1流量计,可以测量 301/min,精度为士5%。在 30l/min的情况下气流阻力小于 0.1 kPa。
C.2.2可调节真空泵。
C.2.3 压力计,精度在士0.01kPa(0.1cmH,O)。
C.3 步骤
C.3.1 按图C1组装各个测试仪器,流量计安装于真空泵的出气口,确保导管与压差计呈气密性装配。
C.3.2 对于开放式的导管,打开导管真空控制装置到释放状态,开启真空泵,调整流量到流量计指示在
30/min.
C.3.3对于封闭式的导管,拆掉压力计,开启真空控制装置,开启真空泵,调整流量至30l/min。将真空控制装置打到关闭位置,然后再装上压力计。
结果表示
以压力计上测得的残留真空值表示结果,以kPa表示。
以上信息由威夏科技整理发布,希望对您有所帮助。