
在轴系结构中,滚动轴承的固定方式通常有三种:

1.两端固定:两个轴承的内圈通过轴肩固定,外圈通过法兰盖固定;每个轴承内、外圈沿轴向只有一个方向受约束;

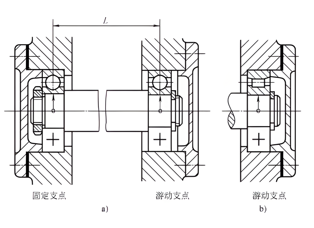
2.一端固定、一端游动:一个支承限制轴的双向轴向位移(称固定支承),另一个支承可沿轴向移动(称游动支承),不能承受轴向负荷。适合于工作温度较高和支点跨距较大的场合。

3.两端游动:对于单个轴承,一般内圈,外圈均需要固定,轴承外圈固定可用孔用挡圈,内圈固定可用轴用挡圈;两个支承均无轴向约束,又称两端游动支承。常用于人字齿轮场合,以防齿轮卡死和人字齿两侧受力不均匀。
滚动轴承的固定
A.周向固定
能够保证轴承受力后内圈与轴颈、外圈与座孔之间不产生相对圆周运动。
利用外圈与轴承座孔、内圈与轴颈之间的配合进行固定;
以轴承为基准件。轴承内孔与轴颈采用基孔制,外径和座孔采用基轴制配合;
转动圈比坚定圈紧。旋转座圈一般应保证有过盈量,不转的座圈应保证有较小的间隙的间隙配合或过渡配合。
B.轴向固定
轴承内圈固定
1)轴承的轴肩固定
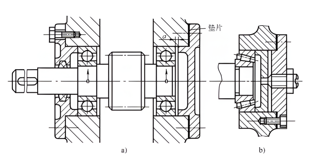
利用轴肩和过盈实现轴承内圈的轴向固定,主要用于两端固定的结构。
2)轴承的弹性挡圈固定
通过轴肩和锁紧螺母实现轴承内圈的轴向固定,能够承受较小的双向的轴向载荷。
3)轴承的锁紧螺母固定
通过轴肩和锁紧螺母实现轴承内圈的轴向固定,多用于高速、重载的工作场合。
4)轴承的端面止推垫圈固定
通过轴肩和轴端挡圈实现内圈的轴向固定,轴端挡圈采用带有放松装置的螺钉固定在轴端;主要用于轴端难以或不宜切制螺纹或空间受限的工作场合。
5)轴承的紧定套固定
通过对紧定套内孔的径向尺寸的压缩,使其夹紧在轴上,以实现内圈轴向固定。
6)轴承的退卸套固定
退卸套通常配有特制螺母,因此装卸更加方便,用于双列球面轴承在光轴上的固定。

轴承外圈固定
1)弹性挡圈
结构简单、装拆方便、轴向尺寸小,通过将调整环加在轴承端面和挡圈之间,实现轴承轴向位置,装配误差等调整,在较低转速、较小轴向载荷的工作场合。
2)调节螺钉及调整盖
与端盖固定相似,带有防松措施的调节螺钉装置,能够便捷的视线箱外轴承游隙的调节。
3)止动环固定
通过带止动槽的向心轴承外圈固定,结构更简单、且具有较小的轴向尺寸,但只能承受较小的轴向载荷。
4)端盖固定
常见于向心或向心推力轴承在轴端的固定,端盖的形式多样,若采用通孔形式时,也可配置多重密封装置,在高速,和较大轴向载荷的场合应用较多。
5)螺纹环固定
适用于转速高、轴向载荷较大的场合,带有放松措施的螺纹环,能够调节向心推力轴承面对面组合安装时的游隙。
滚动轴承的游隙是指轴承的内、外圈之间一个固定,另一个沿径向或轴向的最大移动量,并分别称为径向游隙和向游隙。








滚动轴承应具有必要的游隙,以弥补制造和装配偏差、受热膨胀,使油膜得以形成,以保证其均匀和灵活的运动,否则会发生阻滞现象。但过大的游隙又会使载荷集中,产生冲击和振动,不但在工作中产生噪声,还将产生严重的摩擦、磨损、发热,甚至造成事故。因此选择适当的游隙是保证轴承正常工作,延长其使用寿命的重要环节之一。
滚动轴承的预紧是指在装配时,使轴承内部滚动体与套圈间保持一定的初始压力和弹性变形,以减少工作载荷下轴承的实际变形,从而改善支承刚度,提高回转精度,并使系统因具有一定的阻尼而提高抗振性能。

轴承的预紧分为轴向预紧和径向预紧。径向预紧一般是通过圆锥孔内圈和相配合的锥颈作轴向位移或用增加轴与轴承孔的过盈量来调整;轴向预紧则是用衬垫、隔套、弹簧、螺母或带螺纹的端盖来调整

SKL Techenonlogies Germany GmbH 是德国轴承生产企业,20世纪50年代在德国勒沃库森成立,产品广泛应用于世界上各一线顶尖制造行业。是高精密机床和加工设备、铁路运输、轧机技术、工业和大型齿轮箱、造纸和塑料加工以及海上技术等多个行业领域配套客户的可靠合作伙伴。
世界的经济格局在21世纪初开始发生重大的改变,2016年,SKL整合资源调整方向成立面向全世界的制造与销售公司,寄目标把德国SKL技术向全球化拓展,先后成立中国分部,东南亚分部,南美分部以及非洲分部,并在上海成立大中华区(上海)技术中心与划拨中心, 致力于为亚洲市场提供本地化、定制化、数字化的解决方案。
SKL WARRIOR满足您每一个未来的想法!

官网:sklgroup.de
微信:13341670691
电话:021-61650612