*合众动力实验室-微信:YourJim/QQ:376496305/Q群: 694881815/B站:合众动力实验室;
*公众号中可能存在技术认识上的失误,欢迎来信或留言指正;
*公众号中如有信息来源存在侵权,希望来信或留言说明,我们第一时间删除;
/*******时间20220905*******/
常见低压输出开关电源的反激充电器电气系统的存在

*当输出的电压足够高,直流电源系统输出绝缘电阻也有特定的要求与意义

2.控制与主电路共地的场景与意义

3.人机、控制与主电路的电气关系架构理念
*控制与主电路共地的场景

共电位的联系
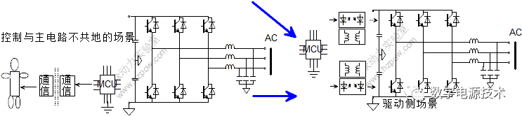
*控制与主电路不共地的场景

隔离非共电位的联系
*控制与主电路不同混合地的场景

4.控制与主电路的采样电参量参考地场景

/**************************/
*合众动力实验室-微信:YourJim/QQ:376496305/Q群: 694881815/B站:合众动力实验室;
*公众号中可能存在技术认识上的失误,欢迎来信或留言指正;
*公众号中如有信息来源存在侵权,希望来信或留言说明,我们第一时间删除;