泵水力设计存在问题,模具厂对此提出了一些疑问
2023-08-09 16:16
水力设计目前大多数企业还停留在二维设计阶段,所以泵工程师需要出叶轮和压水室等水力部件的二维图,模具厂根据这个图纸来进行三维建模以便于开模铸造,所以这个过程中就会发现一些设计问题,主要有以下两个方面:我们都知道叶轮建模方法有打点法、旋转法和阵列法,对于模具厂的人来说,他们只能拿到PDF扫描版的水力图纸,所以只能靠打点法来画,一方面可能是习惯问题,另一方面可能他们不了解其他两种画法,总之曲面不光滑是必然的事情!先来看一下叶轮水力图:
上面是叶轮子午面的形状以及工作面的型线图,这些线条是如何画出来的呢?靠下面的表格:叶片是三维造型,所以我们在表达叶片上任意一点的位置时采用了圆柱坐标系,分别为R、θ和Z值R值表示叶片上任意一点到叶轮旋转中心的半径值
θ表示这个点所在的轴面角,我们通常按照10°或者15°将叶片的包角分为若干个断面来生成型线,每一条型线上的θ值是相等的!
Z值是一个轴向定位的尺寸,他是一个相对值,数值大小及方向取决于你讲叶轮进口边起始位置定在哪里,所以Z值只要有一个基准,其余坐标值可直接从轴面投影图上获得,当然为了获得中间一些型线的Z值,尤其是hub和shroud线上的Z值,我们需要在轴面投影图上先根据R值确定出起始点的Z值,其余值靠中间距累加。
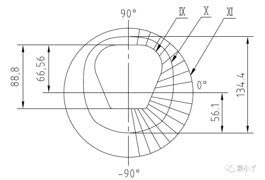
这些坐标值由软件生成,难免会有一些点不在型线上,导致型线歪歪扭扭,如下图所示:根据点、线、面原理,面不光滑最终由打的点不合适导致,所以建议如下操作:利用CAD将叶片工作面和背面型线画出来,先在平面上将型线调整光滑,尤其是两个点靠的比较近的可能线条就会弯曲,手动微调一下,不会对泵的性能造成影响!曲线调整好了再去旋转法或阵列法画叶片。这一点我也感同身受,刚来的时候让我画压水室隔舍咋就那么难呢,现在看以前设计的水力图感觉隔舍那一块真就不见得表达的很清楚,尤其是从第八断面到喉部截面的过渡,那些造型很难1:1建模。所以不怪人模具厂抱怨,我自己遇到这些图只能保证喉部面积不变的情况下按照我的想法来画这个隔舍了,比如下图这种喉部形状与第八断面基本一致,尤其是蜗壳=宽度,也应该保持一致嘛,或者你得有一个基准能够延长到基圆上去,这才合理!还有一些蜗壳出口偏心的情况,从第八断面到喉部的变化是非常大的,比如下图左侧是第八断面,右侧是喉部,少了左下角这个形状,如果不能表达清楚,建模就比较困难了建议做水力设计的工程师也学习一下水体部件的三维建模,自己设计的图纸要首先能够保证被完全复刻才算设计成功!关于离心泵叶轮建模、压水室水体建模的教程本站比比皆是,可在官网(www.7b3.cn)搜索关键词“叶轮”或“压水室”检索,如下图所示: 点击下方阅读原文按钮可跳转官网!


