






用途
本仪器适用于阴、阳接头,成套接头,接头断开时带有和不带有密封装置的接头,以及直线运动和(或)旋转运动接通和断开管路的接头。测试快速接头的插拔的泄漏量测试。
适用标准
GB/T 5861-2003/IS0 7241-2:2000液压快换接头试验方法
技术参数
控制系统:PLC;
操作界面:彩色7寸触摸屏,中英文切换;
设置:在触摸屏上软件上设置相关测试参数
压力传感器:0~600Kpa 精度:±0.5%FS 1个
液位传感器:0~500mm 精度±0.5%FS 1个
精密调压阀:0~1.0Mpa ;
蠕动泵有刷电机款30-185ml/min(含电源);
储水罐:2L,不锈钢制造;
空气压缩机:25L 0.6Mpa~0.8mpa
测试项目:全自动插拔泄漏测试;
外形尺寸;940*460*1400mm
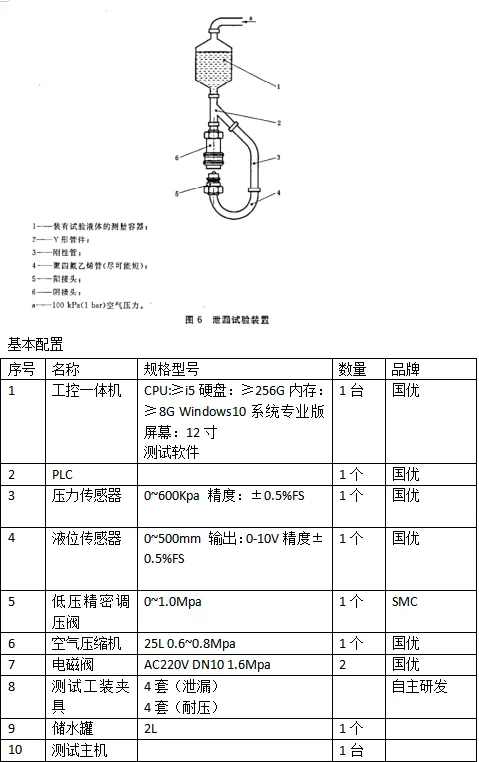
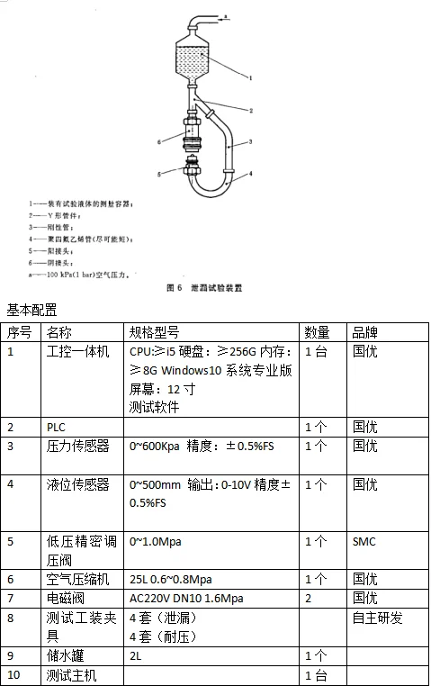
1)按图所示将接头总成装人试验装置中,保持测试的液体压力。记录量筒的液面高度。
2)连接和断开接头总成。每次断开后使泄漏液体从接头总成中排出。每次连接后轻轻敲打接头总成以清除其内部全部气泡。
3)重复进行2)所规定的步骤,直到简液而下降到至少10个刻度。记录量简液面高度。
4)用1)所记录的液面高度减去3)所记录的液面高度,再除以连接、断开循环次数,即为每次连接、断开循环的泄漏量。
5)在试验报告中记录每次连接、断开循环的泄漏量(以ml计)
本仪器适用于阴、阳接头,成套接头,接头断开时带有和不带有密封装置的接头,以及直线运动和(或)旋转运动接通和断开管路的接头。测试快速接头的插拔的泄漏量测试。
适用标准
GB/T 5861-2003/IS0 7241-2:2000液压快换接头试验方法
技术参数
控制系统:PLC;
操作界面:彩色7寸触摸屏,中英文切换;
设置:在触摸屏上软件上设置相关测试参数
压力传感器:0~600Kpa 精度:±0.5%FS 1个
液位传感器:0~500mm 精度±0.5%FS 1个
精密调压阀:0~1.0Mpa ;
蠕动泵有刷电机款30-185ml/min(含电源);
储水罐:2L,不锈钢制造;
空气压缩机:25L 0.6Mpa~0.8mpa
测试项目:全自动插拔泄漏测试;
外形尺寸;940*460*1400mm
1)按图所示将接头总成装人试验装置中,保持测试的液体压力。记录量筒的液面高度。
2)连接和断开接头总成。每次断开后使泄漏液体从接头总成中排出。每次连接后轻轻敲打接头总成以清除其内部全部气泡。
3)重复进行2)所规定的步骤,直到简液而下降到至少10个刻度。记录量简液面高度。
4)用1)所记录的液面高度减去3)所记录的液面高度,再除以连接、断开循环次数,即为每次连接、断开循环的泄漏量。
5)在试验报告中记录每次连接、断开循环的泄漏量(以ml计)