仪器仪表
新版选型手册-膜盒压力表&不锈钢膜盒压力表
2025-11-08 08:53
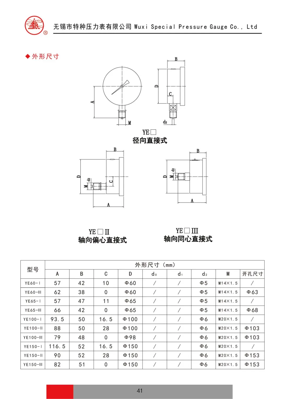
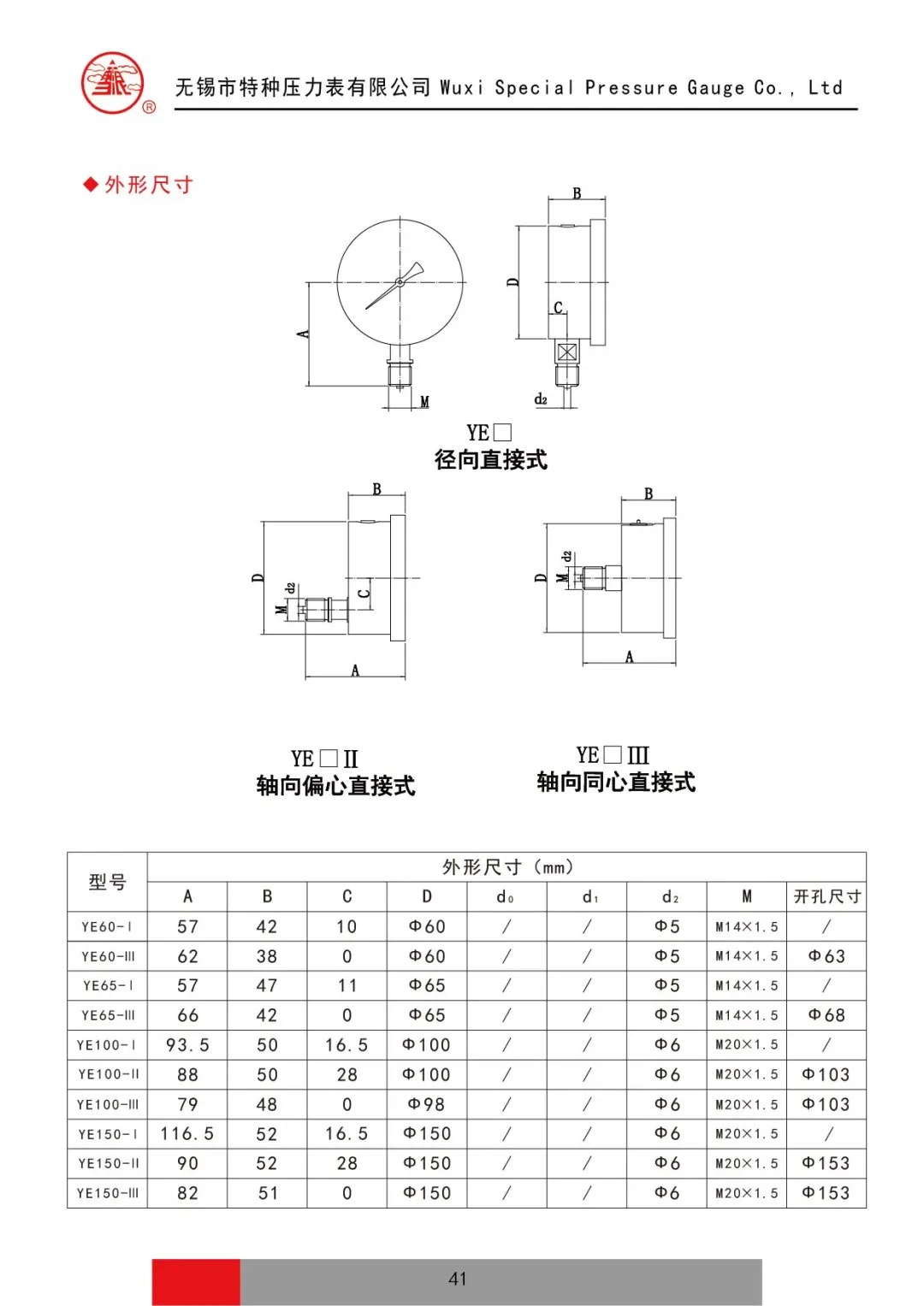
新版选型手册-膜盒压力表&不锈钢膜盒压力表

新版选型手册-膜盒压力表&不锈钢膜盒压力表

新版选型手册-膜盒压力表&不锈钢膜盒压力表

新版选型手册-膜盒压力表&不锈钢膜盒压力表

新版选型手册-膜盒压力表&不锈钢膜盒压力表

膜盒压力表又称微压表,适用于测量无爆炸危险、不结晶、不凝固。以及对同和铜合金无腐蚀作用的液体、气体或蒸汽的低微压力。#压力表 #仪器仪表 #制造业 #膜盒压力表 #无锡
发表评论
0评