



随着高端住宅对舒适人居的高标准、高要求,零冷水、0秒热水循环及卫生间马桶除臭功能被客户看重,如何实现这些功能的联动控制呢?
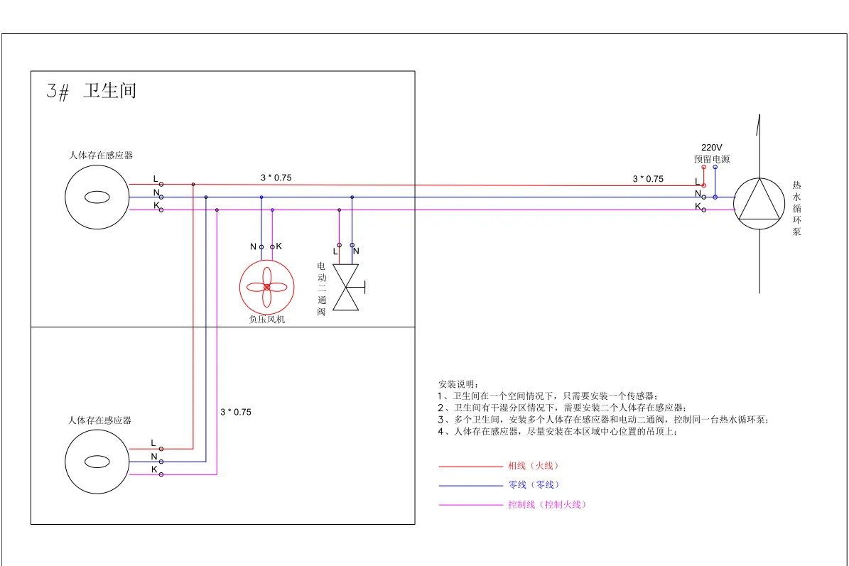
如上图:
1、卫生间马桶除臭:在壁挂马桶的隐蔽水箱给水管上加一个“排气斜三通”,连接至管道风机,实现卫生间马桶的排臭。
2、零冷水、0秒热水循环:如常规设计,在热水回水循环管上加回水泵,配套控制可实现热水定时循环运行。
3、排臭、零冷水联动控制:在卫生间吊顶上增加人体存在传感器,联控控制管道风机、回水泵及热水管道上的电动阀门,当人员进入卫生间,风机启动排臭,热水循环供应热水。
实现卫生间空气无异味,热水使用无等待功能。
#卫生间除臭 #壁挂马桶 #隐蔽水箱 零冷水#两联供 0秒热水#传感器 #联动控制
如上图:
1、卫生间马桶除臭:在壁挂马桶的隐蔽水箱给水管上加一个“排气斜三通”,连接至管道风机,实现卫生间马桶的排臭。
2、零冷水、0秒热水循环:如常规设计,在热水回水循环管上加回水泵,配套控制可实现热水定时循环运行。
3、排臭、零冷水联动控制:在卫生间吊顶上增加人体存在传感器,联控控制管道风机、回水泵及热水管道上的电动阀门,当人员进入卫生间,风机启动排臭,热水循环供应热水。
实现卫生间空气无异味,热水使用无等待功能。
#卫生间除臭 #壁挂马桶 #隐蔽水箱 零冷水#两联供 0秒热水#传感器 #联动控制