返回
仪器仪表
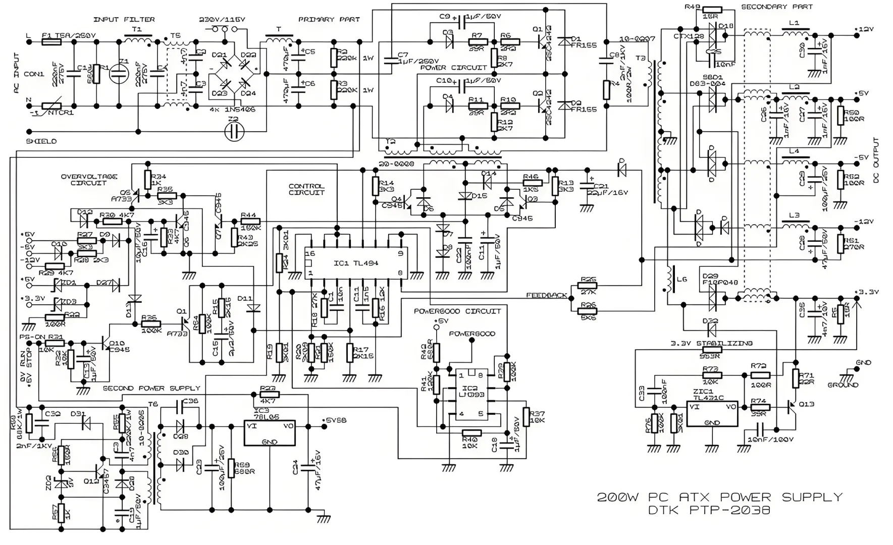
开关电源电路原理
2025-11-06 11:32
开关电源电路原理
#电子元器件
#芯片
#芯片销售
#电路
#单片机
#电气
#电力
#电气工程及其自动化
#STM32单片机
#电气工程
打赏
发表评论
0评