

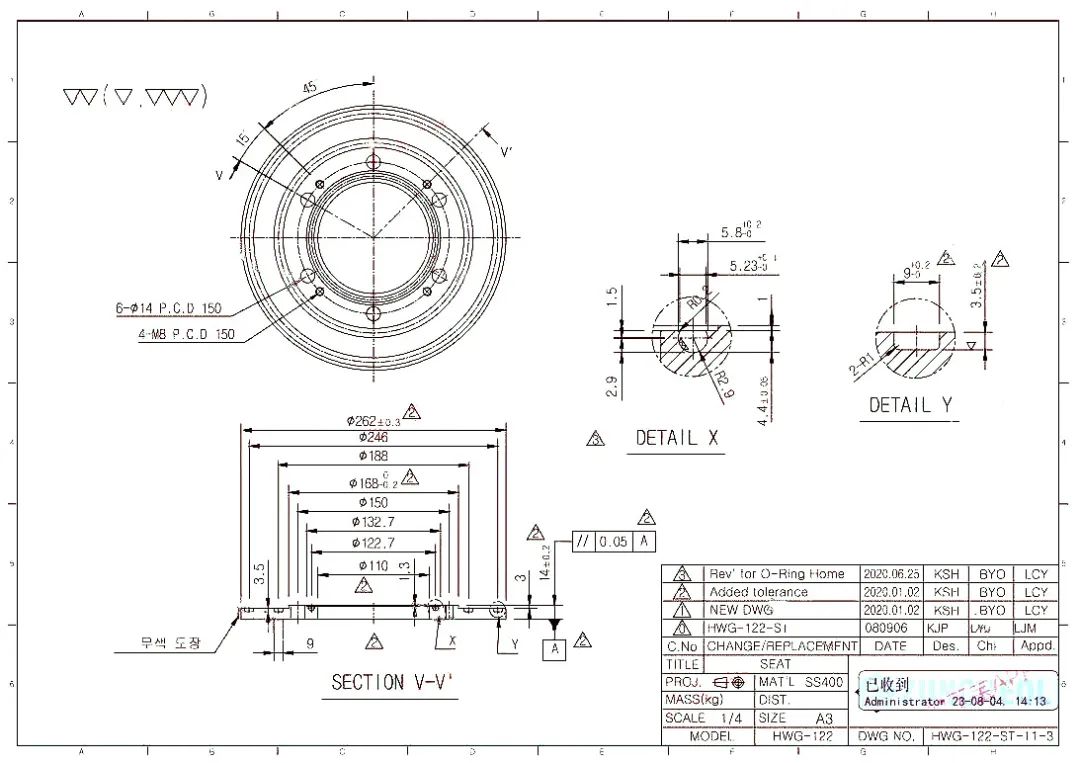
订单编号:20230808-1
订单信息 :缸体加工
详细内容:如图所示,按图纸加工,一共5个型号,外形都是一样的就是大小问题,能做的厂家索要3D文件。
数量:1500套/月
地点:江苏 无锡
联系人: 先生
电话:公众号首页点关注联系各省



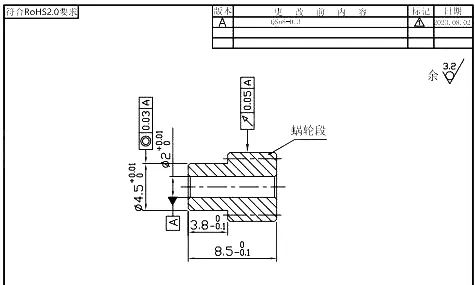
订单编号:20230808-2
订单信息 :尼龙加工
详细内容:如图所示,按图纸加工,材质PA66,数量3000件,能做的厂家联系
数量:3000件
地点:天津
联系人: 先生
电话:公众号首页点关注联系各省


订单编号:20230808-3
订单信息 :包装吸塑盒
详细内容:如图所示,按图纸加工,材质PA66,数量3000件,能做的厂家联系
数量:1批
地点:广东 深圳
联系人: 先生
电话:公众号首页点关注联系各省



订单编号:20230808-4
订单信息 :EVA开模产品加工
详细内容:如图所示,EVA开模生产工厂(深圳周边),1.数量20000 。2.自己厂里有设计师 。3.月结。4.交货地:深圳龙华 。6.深圳周边供应商(暂不考虑比较远的供应商)
数量:1批
地点:广东 深圳
联系人: 先生
电话:公众号首页点关注联系各省

订单编号:20230808-5
订单信息 :硅胶桶
详细内容:如图所示,寻硅胶厂家,如图的硅胶桶,数量第一次需要一千个。700G重或者1.7KG重,25cm*25cm*37cm,3mm厚、直接报模具费和单价,不要打电话,加微信
数量:1000件
地点:广东 深圳
联系人: 先生
电话:公众号首页点关注联系各省

订单编号:20230808-6
订单信息 :采购螺丝
详细内容:如图所示,采购这款螺丝,有货的联系
数量:3万件
地点:湖北 邯郸
联系人: 先生
电话:公众号首页点关注联系各省


订单编号:20230808-7
订单信息 :外协加工件
详细内容:如图所示,按图纸加工,需要自己有磨床,宁波附件的厂家联系。
数量:70万件
地点:浙江 宁波
联系人: 先生
电话:公众号首页点关注联系各省

订单编号:20230808-8
订单信息 :外六角螺栓
详细内容:如图所示,按图纸加工,外六角镀锌4.8级螺栓,规格12*85的短扣的,
数量:10件
地点:河北 邯郸
联系人: 先生
电话:公众号首页点关注联系各省

订单编号:20230808-9
订单信息 :五金铁片
详细内容:如图所示,采购这款铁片,首单5000件,有的加微信联系
数量:5000件
地点:广东 东莞
联系人: 先生
电话:公众号首页点关注联系各省

订单编号:20230808-10
订单信息 :铆钉加工
详细内容:如图所示,采购鸡眼铆钉,孔外径3.0,有做的厂家联系,不懂勿扰,月需求10万个,材质是铁的标准尺寸,加微信联系
数量:10万件/月
地点:广东 东莞
联系人: 先生
电话:公众号首页点关注联系各省

订单编号:20230808-11
订单信息 :机加工件
详细内容:如图所示,按图纸加工,能做的厂家联系
数量:1万件
地点:四川 眉山
联系人: 先生
电话:公众号首页点关注联系各省

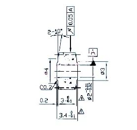
订单编号:20230808-12
订单信息 :蜗轮蜗杆加工
详细内容:如图所示,按图纸加工,蜗轮蜗杆加工,能做的厂家联系
数量:1000套
地点:广东 东莞
联系人: 先生
电话:公众号首页点关注联系各省


订单编号:20230808-13
订单信息 :五金件加工
详细内容:如图所示,按图纸加工,数量各20万,能做的厂家联系!
数量:80万件
地点:江苏 无锡
联系人: 先生
电话:公众号首页点关注联系各省




订单编号:20230808-14
订单信息 :寻做自动化设备厂家
详细内容:需要有穿线扎线经验实体的厂家,深圳。有做的厂家联系!
数量:1批
地点:广东 深圳
联系人: 先生
电话:公众号首页点关注联系各省
订单编号:20230808-15
订单信息 :油桶定制
详细内容:如图所示,具体看图中要求油桶定制,有做的厂家联系!
数量:10万件
地点:广东 东莞
联系人: 先生
电话:公众号首页点关注联系各省

订单编号:20230808-16
订单信息 :寻喷漆加工厂家
详细内容:需要在河南安阳市,找一家可以喷砂,喷漆的代加工厂,有做的厂家联系!
数量:1批
地点:河南 安阳
联系人: 先生
电话:公众号首页点关注联系各省
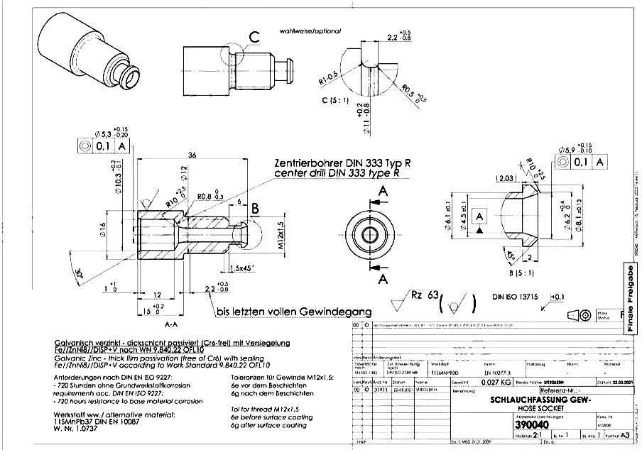
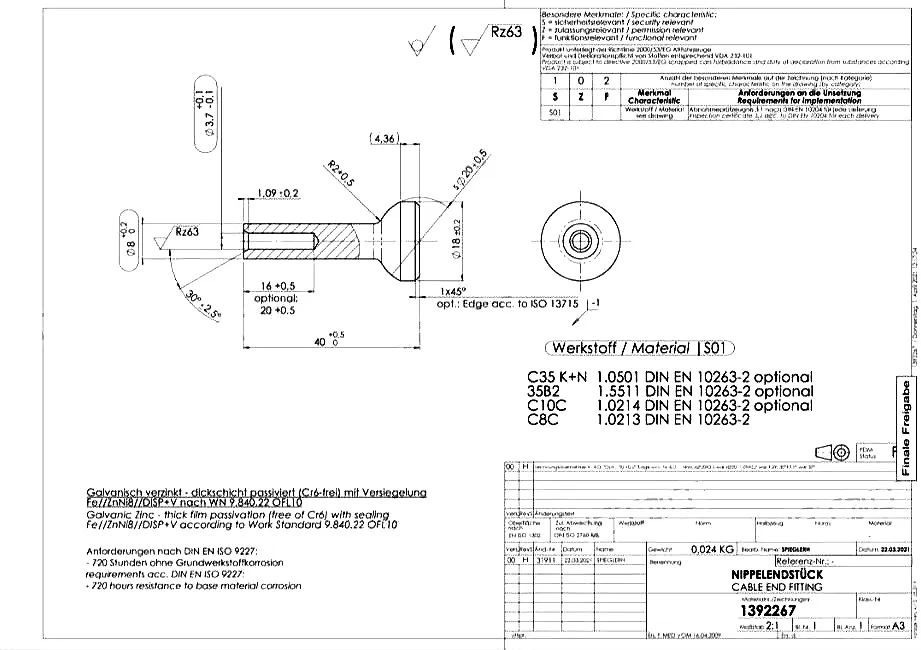
订单编号:20230808-17
订单信息 :不锈钢件加工
详细内容:如图所示,按图纸加工,材质316不锈钢,含税运大连收,能做的微信报价。
数量:385件
地点:辽宁大连
联系人: 先生
电话:公众号首页点关注联系各省

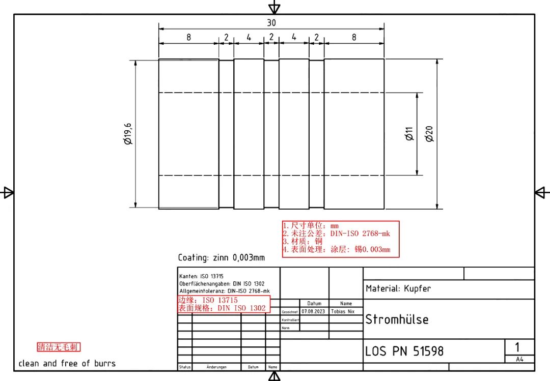
订单编号:20230808-18
订单信息 :不锈钢件加工
详细内容:如图所示,按图纸加工,材质碳钢,含税运大连收,能做的微信报价。
数量:8件
地点:辽宁大连
联系人: 先生
电话:公众号首页点关注联系各省

订单编号:20230808-19
订单信息 :不锈钢件加工
详细内容:如图所示,按图纸加工,材质紫铜,能做的微信报价。
数量:20万件
地点:江苏 昆山
联系人: 先生
电话:公众号首页点关注联系各省

