仪器仪表
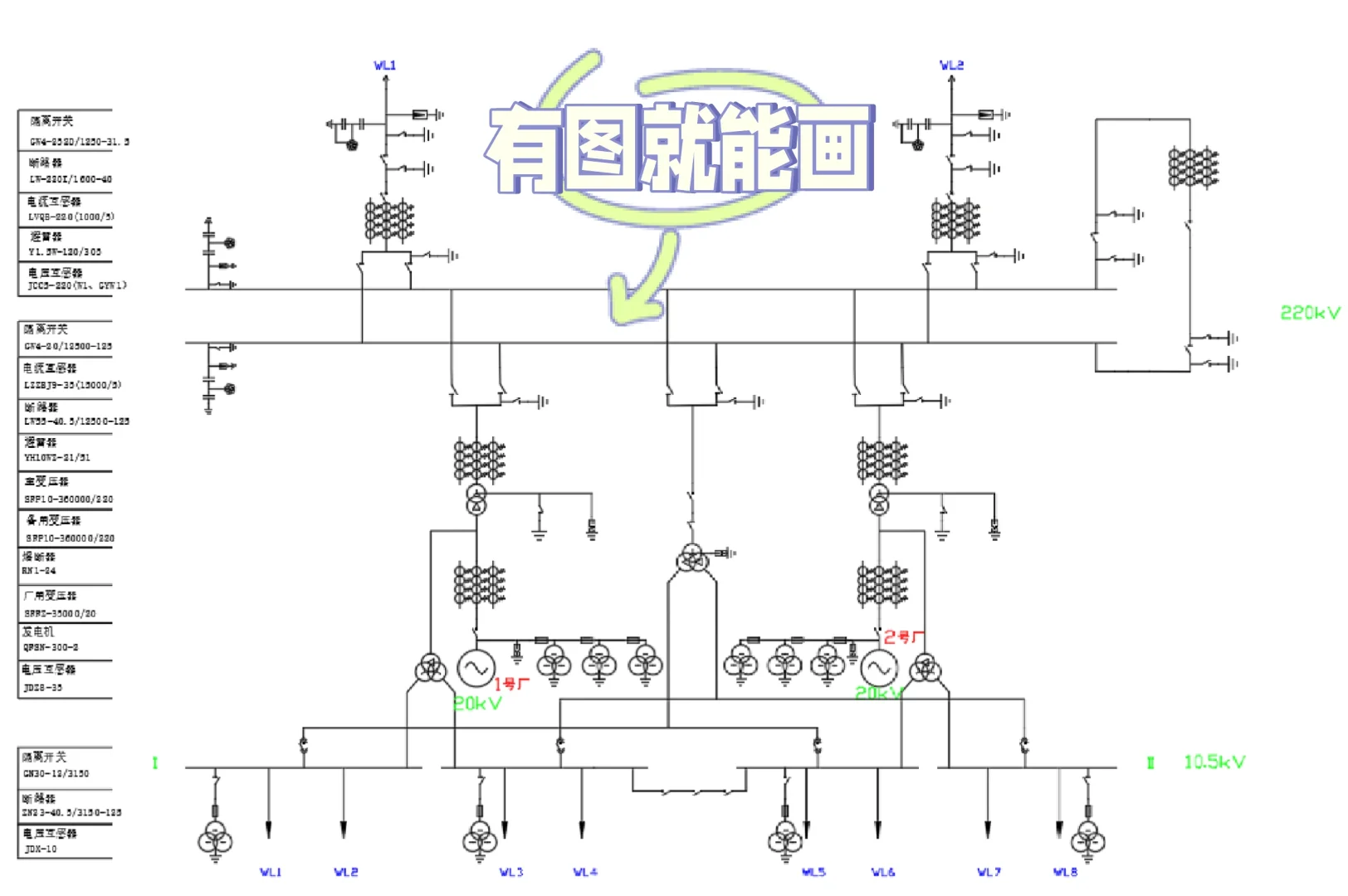
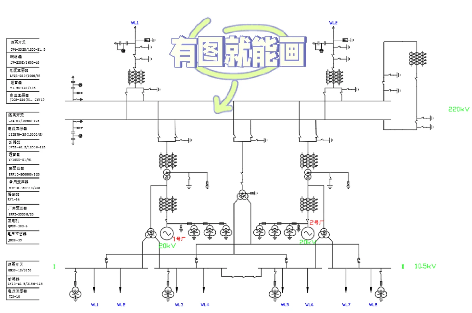
CAD本人亲自画,电气工程
2025-11-03 21:43
CAD本人亲自画,电气工程

CAD本人亲自画,电气工程

CAD本人亲自画,电气工程

CAD本人亲自画,电气工程

CAD本人亲自画,电气工程

CAD本人亲自画,电气工程

电气专业CAD本人亲自画,有图就能画#电气 #自动化 #电气工程及其自动化 #能源与环境工程 #CAD #毕设 #电气工程 #电气自动化 #热点
发表评论
0评