




搞电工,电机接线是看家本事。5种常用接线法+特性,今天一次讲清,老师傅温故知新,新手秒变内行!??
1. 星形(Y)接法 ✨
接线口诀: 尾尾相连,首接电源。
核心特性: 线电压 = √3倍相电压,启动电流小✅,转矩小✅。
主打场景: 轻载启动,或额定电压380V/220V电机(在220V时用Y接)。
2. 三角形(Δ)接法 ?
接线口诀: 首尾相连,自成闭环。
核心特性: 线电压 = 相电压,启动电流大?,转矩大?,满功率输出!
主打场景: 电机额定电压380V时的标准运行接法。
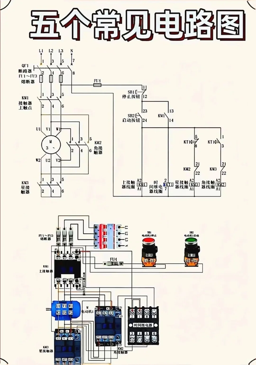
3. 星-三角(Y-Δ)降压启动 ?(经济实用之王!)
工作流程: 启动先“星Y”温柔入场,转速起来再切“三角Δ”全力输出!
最大优势: 启动电压/电流仅为Δ直接启动的1/3!?省电护机。
应用选型: 4kW以上电机最常用的降压启动方案。
4. 自耦变压器降压启动 ?️
工作流程: 启动时变压器降压供电,启动后甩开变压器全压奔跑。
突出优势: 有抽头可选(65%/80%),启动转矩比Y-Δ更大!?
核心场景: 压缩机、大水泵等“重载启动”设备。
5. 单相电容启动 ⚙️(单相电机专属)
工作原理: 启动绕组串电容,造相位差形成旋转磁场。启动后离心开关果断离场。
维修重点: 电机不转或无力??先查电容!再查离心开关!
【实战总结】?
求稳/省电: Y启动、Y-Δ、自耦降压。
要力大无穷: Δ运行。
单相小动力: 电容启动是主流。
#电路 #电工知识 #开关插座 #电工 #电气 #电机维修 #电路图 #电工入门 #电工证 #特种作业操作证
1. 星形(Y)接法 ✨
接线口诀: 尾尾相连,首接电源。
核心特性: 线电压 = √3倍相电压,启动电流小✅,转矩小✅。
主打场景: 轻载启动,或额定电压380V/220V电机(在220V时用Y接)。
2. 三角形(Δ)接法 ?
接线口诀: 首尾相连,自成闭环。
核心特性: 线电压 = 相电压,启动电流大?,转矩大?,满功率输出!
主打场景: 电机额定电压380V时的标准运行接法。
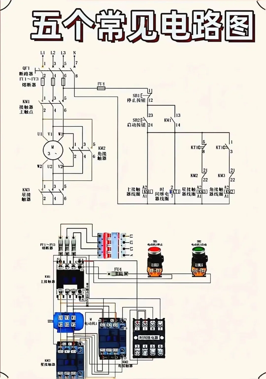
3. 星-三角(Y-Δ)降压启动 ?(经济实用之王!)
工作流程: 启动先“星Y”温柔入场,转速起来再切“三角Δ”全力输出!
最大优势: 启动电压/电流仅为Δ直接启动的1/3!?省电护机。
应用选型: 4kW以上电机最常用的降压启动方案。
4. 自耦变压器降压启动 ?️
工作流程: 启动时变压器降压供电,启动后甩开变压器全压奔跑。
突出优势: 有抽头可选(65%/80%),启动转矩比Y-Δ更大!?
核心场景: 压缩机、大水泵等“重载启动”设备。
5. 单相电容启动 ⚙️(单相电机专属)
工作原理: 启动绕组串电容,造相位差形成旋转磁场。启动后离心开关果断离场。
维修重点: 电机不转或无力??先查电容!再查离心开关!
【实战总结】?
求稳/省电: Y启动、Y-Δ、自耦降压。
要力大无穷: Δ运行。
单相小动力: 电容启动是主流。
#电路 #电工知识 #开关插座 #电工 #电气 #电机维修 #电路图 #电工入门 #电工证 #特种作业操作证