仪器仪表
自动化电气实习
2025-11-03 21:05
自动化电气实习

自动化电气实习

自动化电气实习

自动化电气实习

自动化电气实习

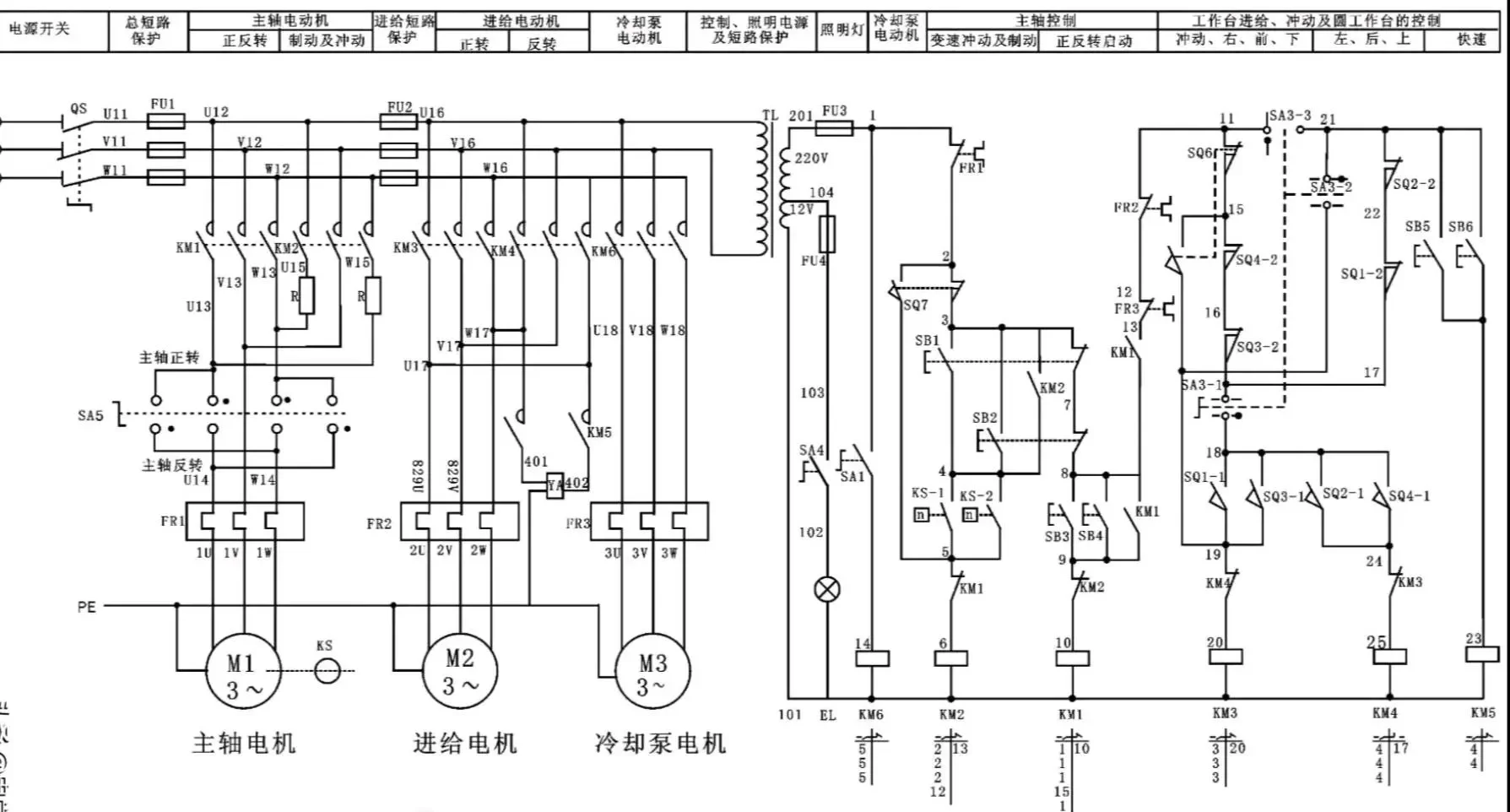
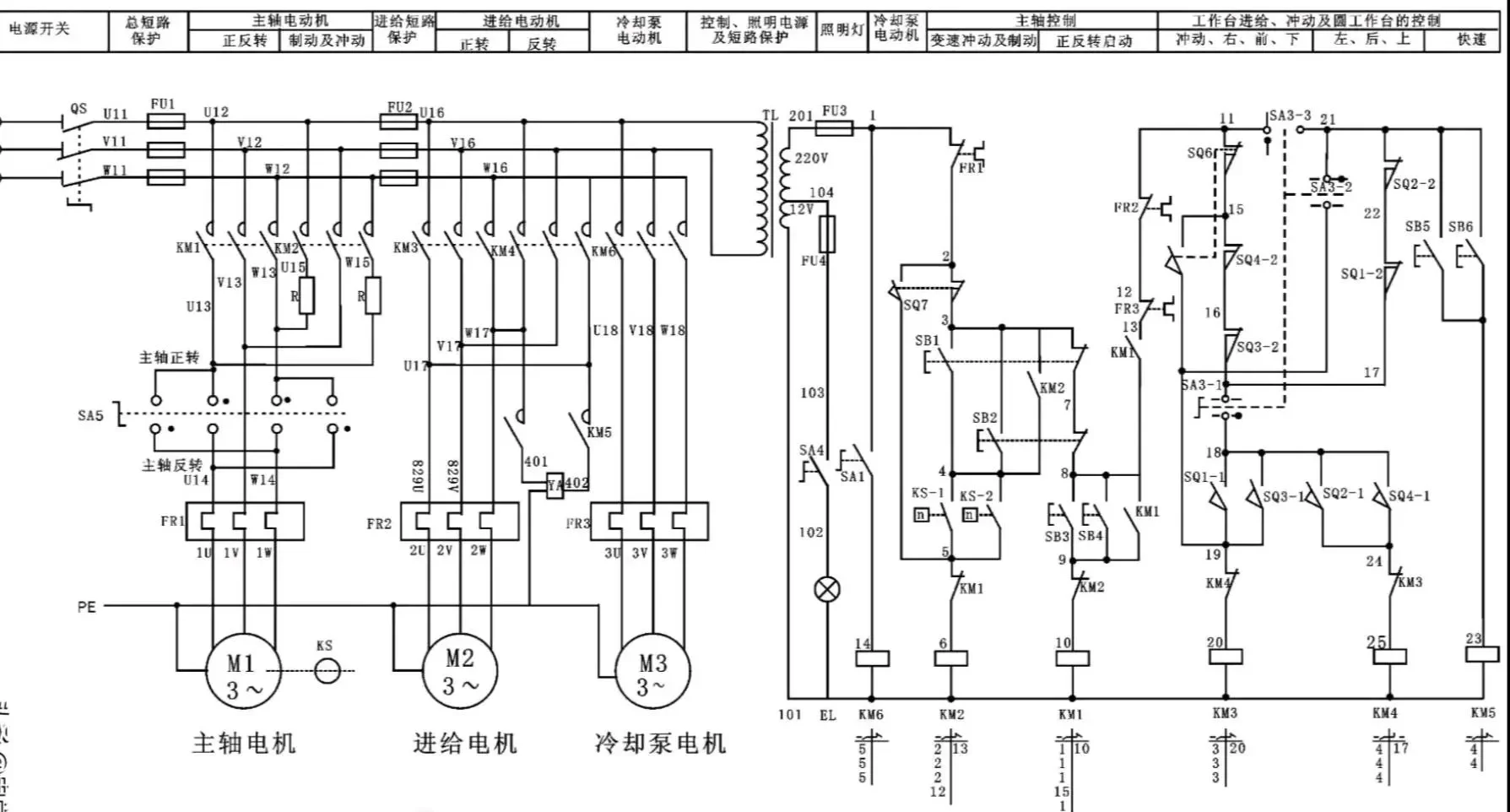
小有成就,我能看懂电路图上对应实物都是啥了
发表评论
0评