




中国石油广东石化聚丙烯装置Ⅱ引进日本聚丙烯公司(JPP)Horizone工艺专利技术,是中国石油首套采用该技术的装置。装置由中国石化工程建设有限公司(简称SEI)设计,由中国寰球工程有限公司承建,中国石油吉林化建工程建设有限公司施工。于2022年1月22日现场正式开工建设,计划2023年9月中交,2023年12月投料试车。
装置年设计生产能力20万吨,每小时产量25t,操作时间每年8000小时,操作弹性60-110%。主要原料为丙烯。主要产品包括均聚、无规共聚、抗冲共聚和NEWCON四种类型聚丙烯本色颗粒料,共计55产品牌号,其中均聚牌号为 19 个,无规共聚牌号为4 个,抗冲共聚牌号为23个,NEWCON牌号9个。
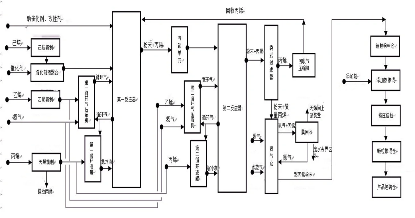
JPP 气相聚丙烯技术采用卧式带搅拌气相反应器,该反应器接近活塞流式反应器,一台这种反应器的性能相当于三台以上的串联返混式反应器(如流化床或液相本体反应器)。由于物料在反应器的流动接近活塞流,故走短路的催化剂量少,共聚物的橡胶相细小且分布均匀,产品的流 动性好,在很宽的温度范围内有优异的刚性和抗冲击性的综合性能,因此只用两个反应器即可生产出高质量的抗冲共聚物。该反应器内的搅拌器以较低转速运转,防止粉料粘黏,生产操作平稳。与全混釜式或流化床式反应器相比,该反应器产品切换快,过渡料少。
本装置工艺单元组成:
•100 工段:催化剂配制和进料
•200 工段:第一聚合反应
•240 工段:反应器粉料输送
•250 工段:第二聚合反应
•300 工段:粉料脱活
•350 工段:丙烯回收单元
•400 工段:挤压造粒
•500 工段:产品掺混及输送
•600 工段:丙烯精制单元
•610 工段:排放丙烯处理单元
•640 工段:氢气进料
•650 工段:乙烯精制单元
•660 工段:己烷精制单元
•800 工段:公用工程
#石油化工#知识科普 #合成树脂#中石油#中石化#聚丙烯
@石油化工大讲堂
让我们一起聚焦并走进石油化工装置展示、产业链介绍、技术剖析、政策解读的红薯地,一起感受石油化工的力量,享受品质生活吧!请各位朋友阅读这篇笔记后,有疑问或者想要了解的内容,欢迎在评论区留言或者私信~!本博主愿意及时回复和解答。记得关注石油化工大讲堂!一起快乐学习石油化工知识!#石油化工大讲堂#石油化工#中国石油#中国石化#知识博主#科普博主#石油炼制
装置年设计生产能力20万吨,每小时产量25t,操作时间每年8000小时,操作弹性60-110%。主要原料为丙烯。主要产品包括均聚、无规共聚、抗冲共聚和NEWCON四种类型聚丙烯本色颗粒料,共计55产品牌号,其中均聚牌号为 19 个,无规共聚牌号为4 个,抗冲共聚牌号为23个,NEWCON牌号9个。
JPP 气相聚丙烯技术采用卧式带搅拌气相反应器,该反应器接近活塞流式反应器,一台这种反应器的性能相当于三台以上的串联返混式反应器(如流化床或液相本体反应器)。由于物料在反应器的流动接近活塞流,故走短路的催化剂量少,共聚物的橡胶相细小且分布均匀,产品的流 动性好,在很宽的温度范围内有优异的刚性和抗冲击性的综合性能,因此只用两个反应器即可生产出高质量的抗冲共聚物。该反应器内的搅拌器以较低转速运转,防止粉料粘黏,生产操作平稳。与全混釜式或流化床式反应器相比,该反应器产品切换快,过渡料少。
本装置工艺单元组成:
•100 工段:催化剂配制和进料
•200 工段:第一聚合反应
•240 工段:反应器粉料输送
•250 工段:第二聚合反应
•300 工段:粉料脱活
•350 工段:丙烯回收单元
•400 工段:挤压造粒
•500 工段:产品掺混及输送
•600 工段:丙烯精制单元
•610 工段:排放丙烯处理单元
•640 工段:氢气进料
•650 工段:乙烯精制单元
•660 工段:己烷精制单元
•800 工段:公用工程
#石油化工#知识科普 #合成树脂#中石油#中石化#聚丙烯
@石油化工大讲堂
让我们一起聚焦并走进石油化工装置展示、产业链介绍、技术剖析、政策解读的红薯地,一起感受石油化工的力量,享受品质生活吧!请各位朋友阅读这篇笔记后,有疑问或者想要了解的内容,欢迎在评论区留言或者私信~!本博主愿意及时回复和解答。记得关注石油化工大讲堂!一起快乐学习石油化工知识!#石油化工大讲堂#石油化工#中国石油#中国石化#知识博主#科普博主#石油炼制