




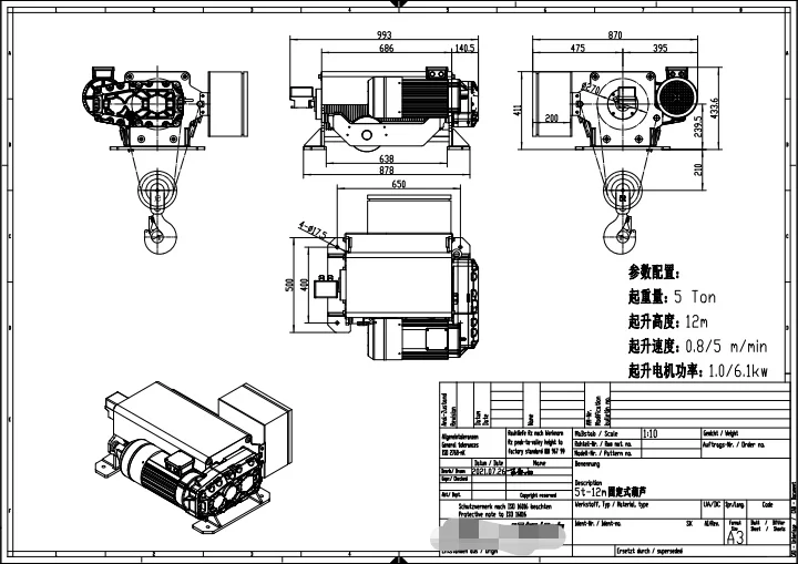
电厂起重机械设备配件5t12m固定式电动葫芦5t12m固定式钢丝绳电动葫芦5t12m固定式卷扬机5t12m欧式固定式电动葫芦,5T升降卷扬机 起升高度12米 起升双速调节 含限位及盘绳装置 安装尺寸 长:1233mm,宽:366mm,4-φ18/M16,具体见附图
5T升降机双速电机 型号:YQB60/QS5000/YZ112M-4,荷载5T,功率6.1KW,额定电流16.1A,转速2930r/min,液压行业电机Ultract
chysis 菲仕
PM Servo Motor
S / N
Code
l0
rad
Arms
To
Nm
Wmax
In
Kt
Nml
Arms
Tn
Nm
Wn
Pn
S1,Δ T
00
C
kW
Vn
Vrms
Feedback Sensor Thermal Sensor
Ref . Temp _20℃
Brake VDC
V
PBK
W
TBK
Nm
Fan
VAC
230
V @50Hz
PFAN
W
Protection IP
Insulation Class F宁波菲仕技术股份有限公司菲仕PHASE宁波菲仕电机技术有限公司PHYSIS宁波菲仕技术股份有限公司菲仕技术伺服电机系列
伺服驱动器系列
以科技智慧
OSAI控制系统
直流无刷电机系列
新能源汽车电驱系列其主要产品包括伺服电机(ULtractII标准系列、Express标准系列、TK直驱系列)、伺服驱动器(PH300系列、AxN系列、AxN DC系列)、控制系统(OPEN系列)、新能源汽车电机、新能源汽车电机控制器和新能源汽车动力总成系统。菲仕致力于推广领先的智慧动力科技,并将其深度融入行业各个领域,其同服产品和伺服系统解决方案已成功应用于橡塑机械、包装印刷机械、风电变奖系统、工业机器人、数控机床、新能源汽车与游艇、纺织印染机械、航空航天、轨道交通、金属加工、能源科技、锂电池设备、空压机设备、医疗器械等众多行业。此外,公司还为国内外客户提供风力发电机、电机零部件产品(磁钢、伺服电机定转子)及其它相关产品。变浆电机
变浆电机U31013A15 3P280B4H1偏航电机山东鑫沃起重机械有限公司行车天车行吊航吊龙门吊提梁机路桥门机架桥机欧式起重机欧式电动葫芦单梁起重机双梁起重机悬臂吊旋臂吊平衡吊墙壁吊KBK起重机电动葫芦起重机械设备及配件备件备品,起重机械设备生产制造安装改造检修维修大修维护保养迁移搬迁移装翻新防锈刷漆改造升级日常维保抢修现场技改环保项目。特种设备生产许可证证书手续齐全起重机械制造、安装、修理、改造。欧式起重机低净空、轻量化、节能、免维护的欧式单梁、双梁桥式(门式)起重机广泛应用于一般制造业起重机、造船起重机、电力起重机、造纸起重机、冶金起重机、有色起重机、汽车起重机、新能源起重机、仓储物流起重机高铁
5T升降机双速电机 型号:YQB60/QS5000/YZ112M-4,荷载5T,功率6.1KW,额定电流16.1A,转速2930r/min,液压行业电机Ultract
chysis 菲仕
PM Servo Motor
S / N
Code
l0
rad
Arms
To
Nm
Wmax
In
Kt
Nml
Arms
Tn
Nm
Wn
Pn
S1,Δ T
00
C
kW
Vn
Vrms
Feedback Sensor Thermal Sensor
Ref . Temp _20℃
Brake VDC
V
PBK
W
TBK
Nm
Fan
VAC
230
V @50Hz
PFAN
W
Protection IP
Insulation Class F宁波菲仕技术股份有限公司菲仕PHASE宁波菲仕电机技术有限公司PHYSIS宁波菲仕技术股份有限公司菲仕技术伺服电机系列
伺服驱动器系列
以科技智慧
OSAI控制系统
直流无刷电机系列
新能源汽车电驱系列其主要产品包括伺服电机(ULtractII标准系列、Express标准系列、TK直驱系列)、伺服驱动器(PH300系列、AxN系列、AxN DC系列)、控制系统(OPEN系列)、新能源汽车电机、新能源汽车电机控制器和新能源汽车动力总成系统。菲仕致力于推广领先的智慧动力科技,并将其深度融入行业各个领域,其同服产品和伺服系统解决方案已成功应用于橡塑机械、包装印刷机械、风电变奖系统、工业机器人、数控机床、新能源汽车与游艇、纺织印染机械、航空航天、轨道交通、金属加工、能源科技、锂电池设备、空压机设备、医疗器械等众多行业。此外,公司还为国内外客户提供风力发电机、电机零部件产品(磁钢、伺服电机定转子)及其它相关产品。变浆电机
变浆电机U31013A15 3P280B4H1偏航电机山东鑫沃起重机械有限公司行车天车行吊航吊龙门吊提梁机路桥门机架桥机欧式起重机欧式电动葫芦单梁起重机双梁起重机悬臂吊旋臂吊平衡吊墙壁吊KBK起重机电动葫芦起重机械设备及配件备件备品,起重机械设备生产制造安装改造检修维修大修维护保养迁移搬迁移装翻新防锈刷漆改造升级日常维保抢修现场技改环保项目。特种设备生产许可证证书手续齐全起重机械制造、安装、修理、改造。欧式起重机低净空、轻量化、节能、免维护的欧式单梁、双梁桥式(门式)起重机广泛应用于一般制造业起重机、造船起重机、电力起重机、造纸起重机、冶金起重机、有色起重机、汽车起重机、新能源起重机、仓储物流起重机高铁