家居用品
基于单片机的地铁到站检测系统设计
2025-10-31 16:39
基于单片机的地铁到站检测系统设计

基于单片机的地铁到站检测系统设计

基于单片机的地铁到站检测系统设计

基于单片机的地铁到站检测系统设计

基于单片机的地铁到站检测系统设计

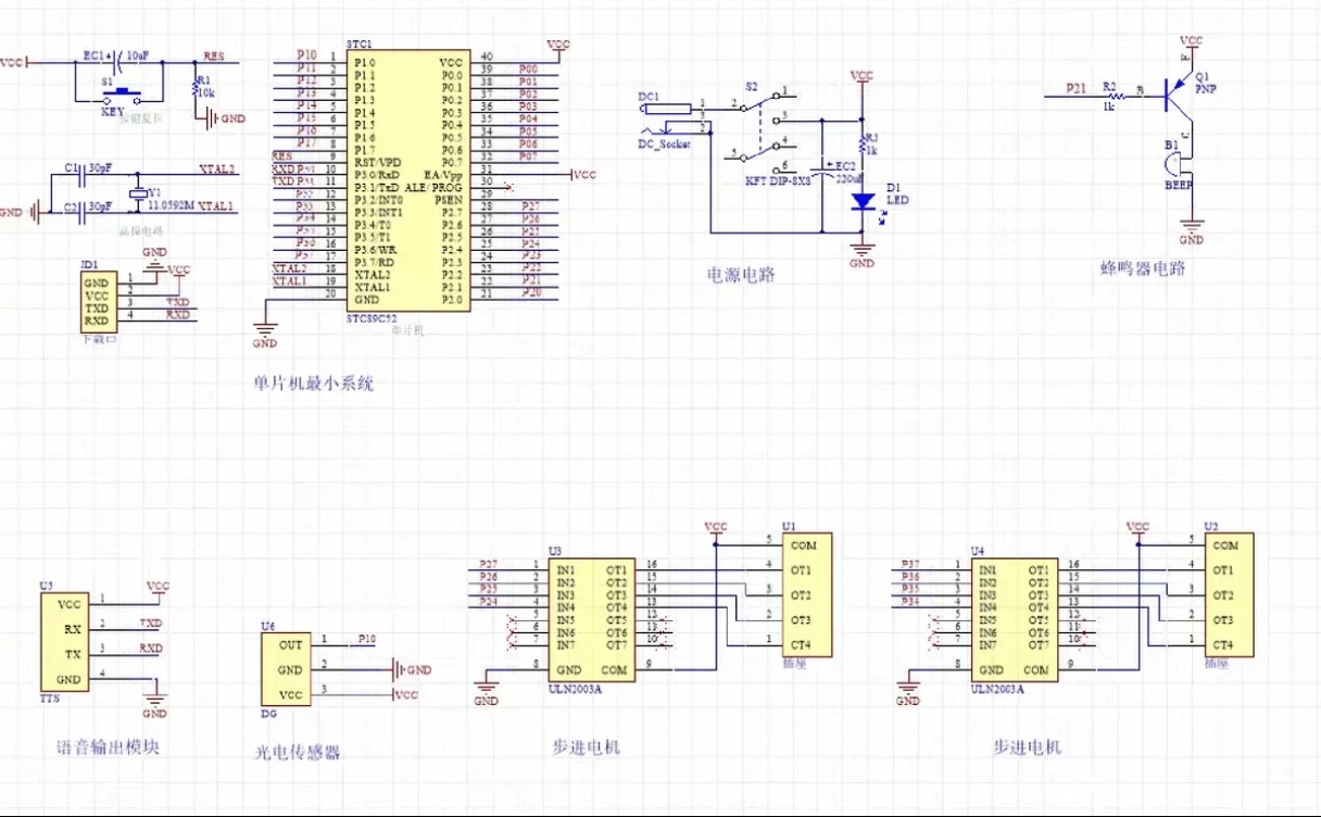
硬件构成:STC89C52RC单片机+ISD1820语音模块+步进电机模块+蜂鸣器模块+红外检测模块+电源供电模块。

主要功能:
1、通过红外光电传感器检测地铁是否到站。
2、当地铁到站后,通过ISD1820语音模块播报“地铁已到站”。
3、当地铁到站后,通过两个步进电机模拟地铁车厢门打开,并计时15s,15s后自动关闭。
4、当开门时间快结束时,蜂鸣器报警3次,结束后,车厢门关闭。
#单片机 #电气自动化 #STM32单片机 #网络工程师 #智能硬件设计 #信息与技术 #嵌入式开发 #电气工程及其自动化 #电气 #自动化
发表评论
0评