印刷包装
瓦楞纸盒结构图如何绘制?三张图搞定!
2025-10-31 16:08
瓦楞纸盒结构图如何绘制?三张图搞定!

瓦楞纸盒结构图如何绘制?三张图搞定!

瓦楞纸盒结构图如何绘制?三张图搞定!

瓦楞纸盒结构图如何绘制?三张图搞定!

瓦楞纸盒结构图如何绘制?三张图搞定!

关于瓦楞纸盒包装的结构图如何绘制,给大家整理好啦!
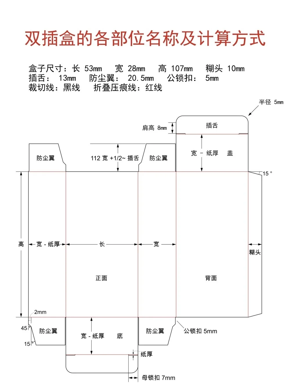
⭐️首先是双插盒!
✅各部位名称及计算方式:
盒子尺寸: 长 53mm 糊头10mm 宽28mm 高107mm
插舌: 13mm 防尘翼:20.5mm 公锁扣:5mm
裁切线:黑线 折叠压痕线:红线
#双插盒 #瓦楞纸箱 #纸盒 #包装设计 #纸盒设计 #纸箱 #世昌纸箱 #瓦楞纸板 #纸箱厂 #纸箱定制
发表评论
0评