









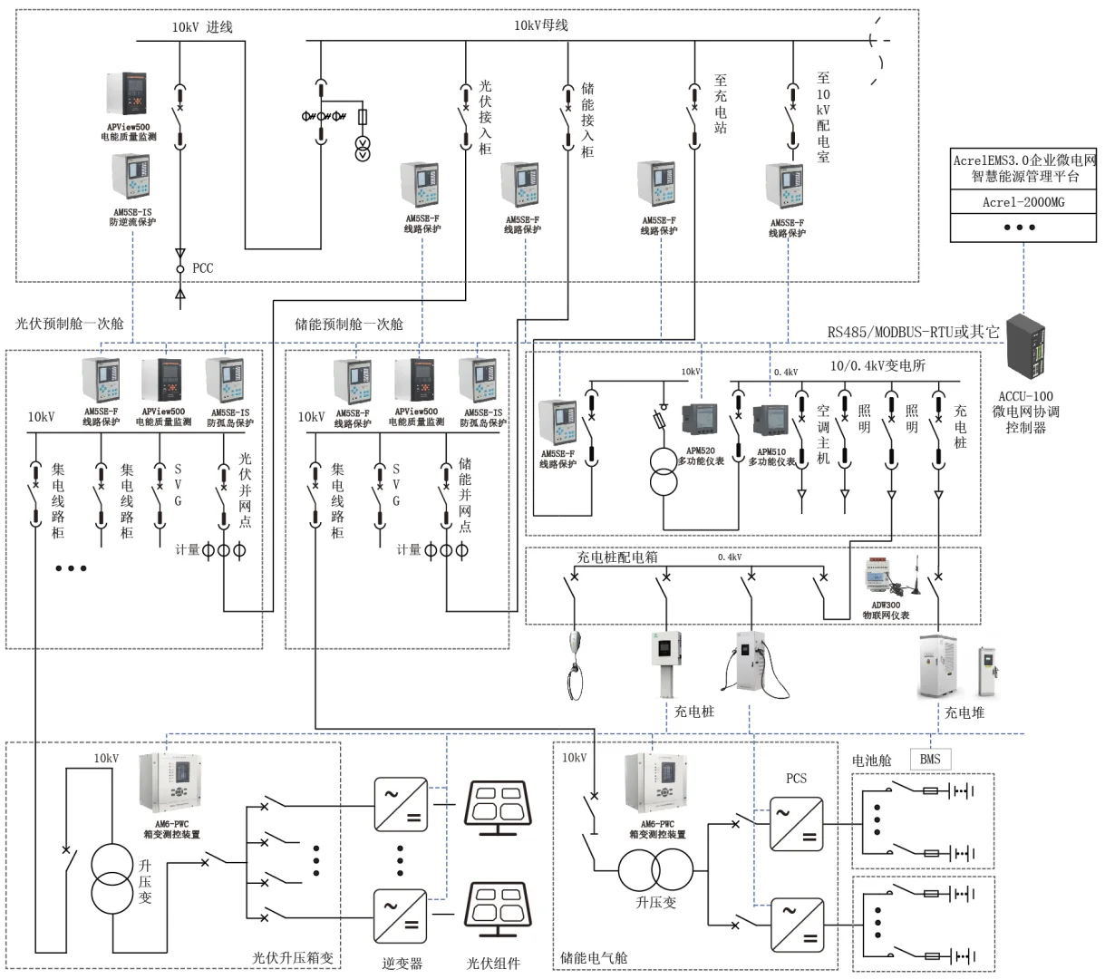
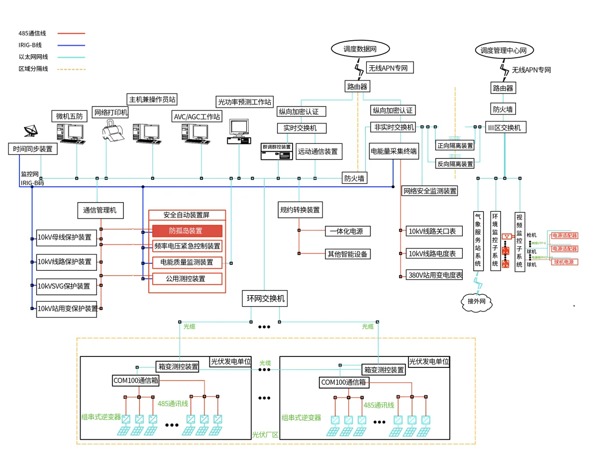
安科瑞电气提出的AcrelEMS3.0智慧能源管理平台,采用“云-边-端”协同架构,实现了对分布式电源、储能系统、充电桩等多元设备的统一管理和优化控制。
该平台的核心功能包括:
Ø综合监控
通过实时采集配电网、光伏、储能、充电桩等数据,实现可视化展示、异常告警和统计分析,为运维管理提供全面支持。
Ø智能控制
基于动态策略,协调光伏、储能和负荷的运行,例如削峰填谷、防逆流控制、新能源消纳等,确保电网稳定高效运行。
Ø能源分析与预测
利用历史数据和深度学习算法,预测光伏发电功率和负荷需求,为优化调度提供科学依据。
Ø优化调度
结合电价、电网调度指令等因素,以成本最低或碳排放最低为目标,制定微电网运行计划,实现资源的最优配置。
#安科瑞 #企业微电网 #分布式光伏 #能源管理
该平台的核心功能包括:
Ø综合监控
通过实时采集配电网、光伏、储能、充电桩等数据,实现可视化展示、异常告警和统计分析,为运维管理提供全面支持。
Ø智能控制
基于动态策略,协调光伏、储能和负荷的运行,例如削峰填谷、防逆流控制、新能源消纳等,确保电网稳定高效运行。
Ø能源分析与预测
利用历史数据和深度学习算法,预测光伏发电功率和负荷需求,为优化调度提供科学依据。
Ø优化调度
结合电价、电网调度指令等因素,以成本最低或碳排放最低为目标,制定微电网运行计划,实现资源的最优配置。
#安科瑞 #企业微电网 #分布式光伏 #能源管理