

熔断器结构、原理、应用; 隔离开关结构、原理、应用; 微型断路器结构、原理、应用; 主令电器结构、原理、应用; 接触器结构、原理、应用; 继电器结构、原理、应用; 电流互感器结构、原理、应用; 控制与保护电器结构、原理、应用; 双电源自动转换开关结构、原理、应用; 电气仪表结构、原理、应用;

高压熔断器结构、原理、应用; 高压隔离开关结构、原理、应用; 高压断路器结构、原理、应用; 高压互感器结构、原理、应用; 微机保护装置结构、原理、应用; 高压负荷开关结构、原理、应用; 
低压配电箱、配电柜; 低压固定式开关柜; 低压抽出式开关柜; 低压EPS配电箱; 低压配电直流屏; 高压固定式开关柜; 高压开式开关柜; 高压环网柜;

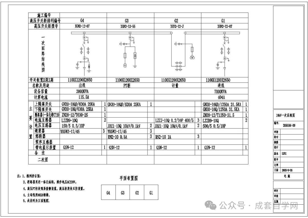
低压成套结构图与布置图; 低压成套一次系统图; 低压成套二次原理图; 高压成套结构图与布置图; 高压成套一次系统图; 高压成套二次原理图; 高压继电保护原理图识图; 
电气成套的检验规程与理论; 电气成套检验实操与工艺要求; 低压控制箱原理与通电调试分析; 高压开关柜原理与通电调试分析;

高低压设备维修基本概念; 售后维修与质检调试的区别; 维修思路汇总与控制箱故障分析; 低压开关柜故障分析; 高压开关柜故障分析;

电气报价软件安装、配置; 电气报价扒图与搜查元件型号; 配电箱识图、定价、报价; 动力柜识图、定价、报价; EPS应急电源、直流屏识图、定价、报价; 
电气设计软件安装、配置; 电气设计软件命令学习; 控制原理与控制回路设计思维汇总; 电工制图基础与电气设计 配电箱一次图设计; 配电箱二次图设计; 配电箱结构图设计; 清理电气设计清单;

自动化控制原理与逻辑分析; 自动化控制方案与原理图分析; 物联网灯光自动控制系统设计与调试说明; 温度自动化控制系统设计与调试说明; 水压自动化控制系统设计与调试说明; 低压开关柜自动化控制设计与调试说明;
课程定价如下:
和在看


【特别注明】
此资源来自互联网,版权归原作者所有。仅作为购买前的参考,如若喜欢,请购买正版资料。
