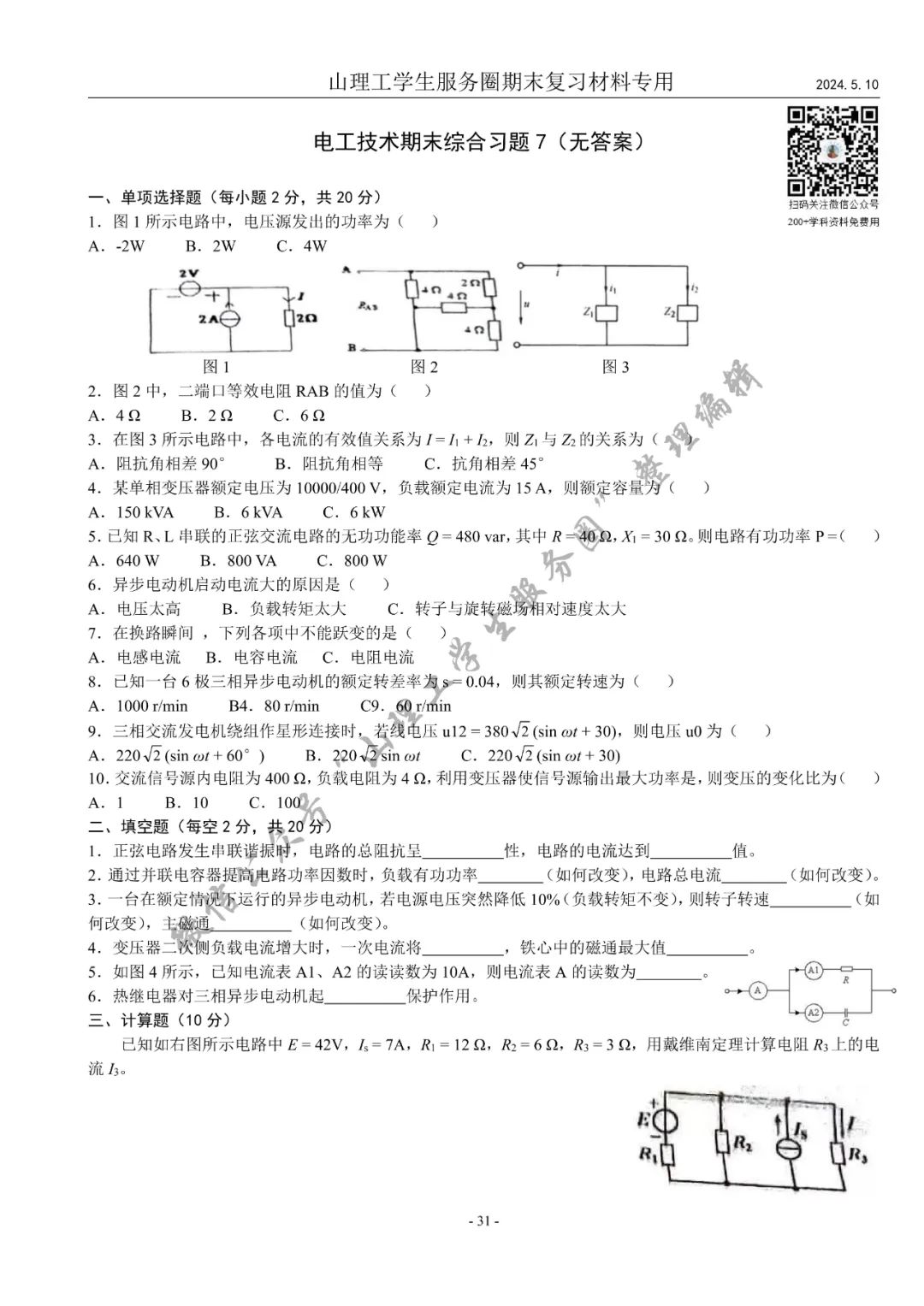
电工技术期末复习习题册(2024年第一版)资料介绍及预览
2024-05-11 10:38

点击此处进入商城购买资料
版本:2024年第一版(今天试打印,预计明天周日正式上架)内容:七套综合习题以及答案(五套有答案;两套无答案,更新后可通过每一套后面的二维码查看答案)。团购:需要班级团购的可以微信联系小叔,优先供用,免费配送!自提:西校区东门内大红炉二楼楼梯口处,8:00-23:00均可自取,自取请在桌子上填写订单信息表!配送:西校区配送费1.5元/单,周一至周五每天集中配送;东校区3元/单,每周二周四集中配送!