
当开关接通的时候,电源电压通过镇流器和灯管灯丝加到启辉器的两端。电流通过镇流器、启辉器和两端灯丝构成回路,启辉器两极闭合,两极间电压为零,辉光放电消失,管内温度降低;双金属片自动复位,两极断开。
在灯管两端高电压的作用下,由低电势端向高电势端运动。在加速运动的过程中,碰撞管内氩气分子,使之迅速电离。氩气电离生热,热量使水银产生蒸气,水银蒸气也被电离,发出强烈的紫外线。在紫外线的激发下,管壁内的荧光粉发出近乎白色的可见光。
1、未接线前的检查:用万用表检查断路器及开关是否接通断开良好。检查镇流器及灯管灯丝阻值是否正常。
2、硬件接线:
(1)将单相电能表1、2端,断路器S1火线一侧,两个双控开关公共端,镇流器,灯管右灯丝一端依次串联后接到电源220V火线上,一定要记得把两个双控开关的2条控制线接好。
(2)将单相电能表3、4端,断路器S1零线一侧,左灯丝一端依次串联后接到电源220V零线上。
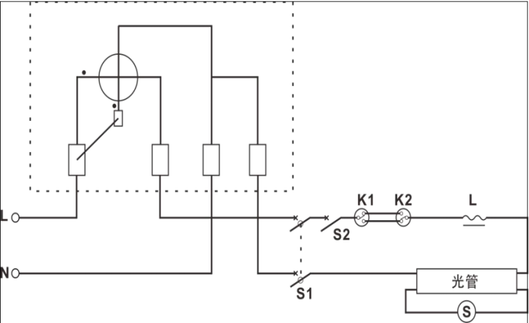
(3)把启辉器两端与灯管左右两端并联接线。
3、接完线之后的检查:
(1)把万用表的红黑表笔分别放到启辉器两端。
(2)合上断路器S1,合上分断路器S2,拨动开关K1或K2,K1或K2首先要能接通断开回路,然后要在接通状态下测得阻值为电能表,镇流器,两个灯丝阻值之和。
来源:技成培训网,作者:孟伟平,未经授权不得转载!