石油化工装置是一个复杂的系统工程,涉及到工艺、设备、安全、环保、电仪等子系统。每个系统都与装置的产品质量、平稳生产及安全环保息息相关,因此每一部分都至关重要!本期重点分享石油化工装置中乙烯产业链典型装置的工艺流程图。
1、乙烯产业链流程图

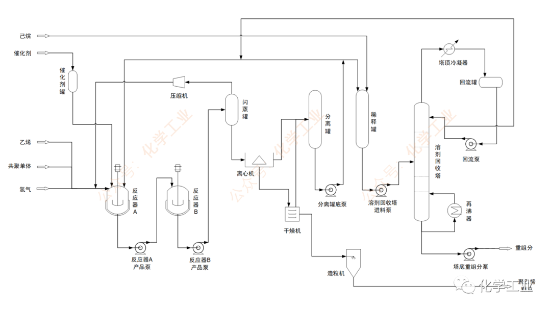
2、聚乙烯工艺流程图—CX技术

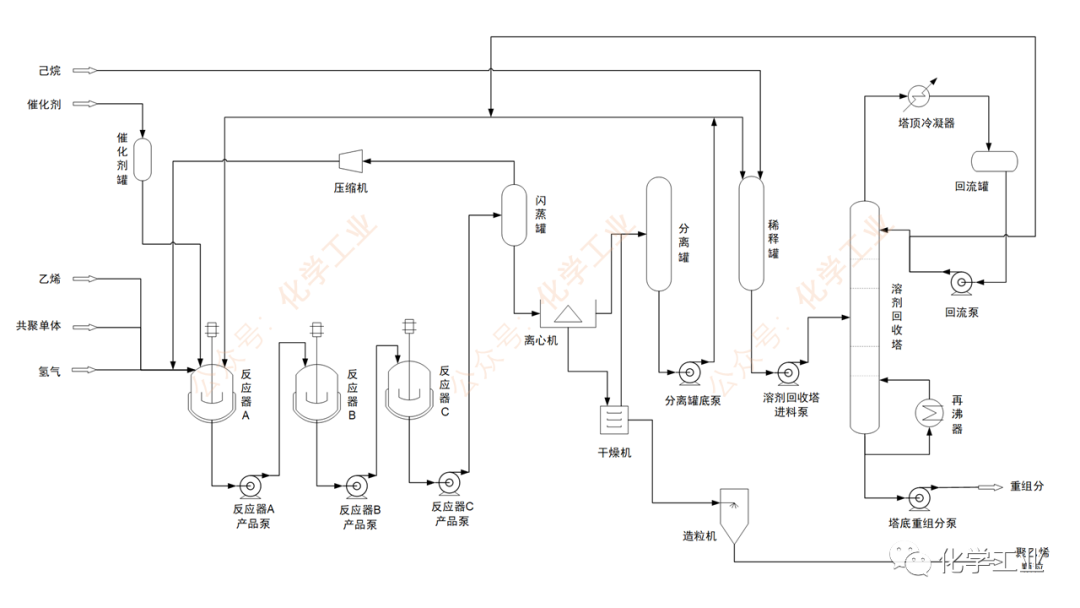
3、聚乙烯工艺流程图—Hostalen技术

4、聚乙烯工艺流程图—Innovese技术

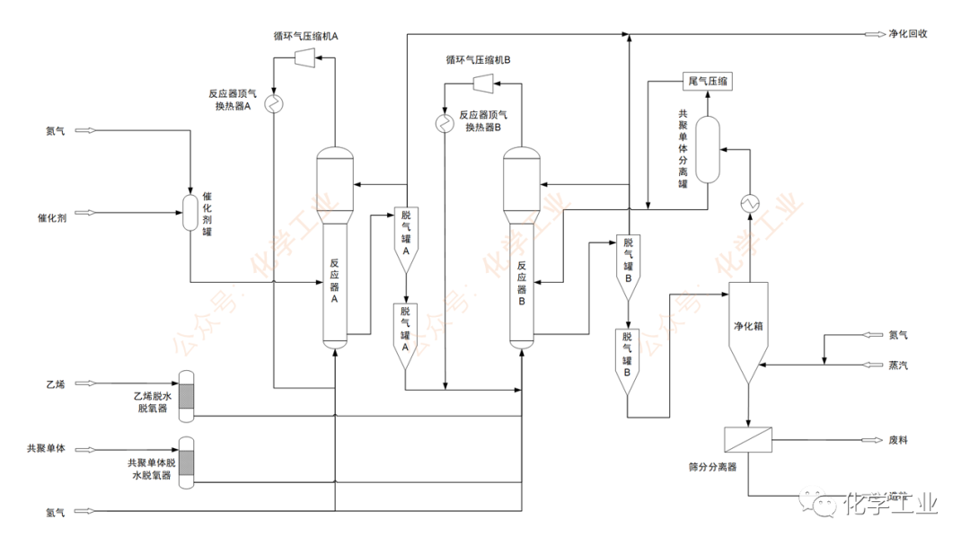
5、聚乙烯工艺流程图—Chevron Phillips技术

6、聚乙烯工艺流程图—Unipol技术

7、乙醛工艺流程图

8、醋酸工艺流程图

免责声明:本平台部分内容转载于网络,目的在于传递更多信息,并不代表本平台赞同其观点和对其真实性负责;若有侵犯您的权益或其他不适宜之处,请联系我们,并提供相关证明,本平台将及时处理