
泵的扬程计算是选择泵的重要依据,泵扬程与流量的关系可以参照下面这张图。

泵扬程由管网系统的安装和操作条件决定,计算前应首先绘制流程草图,平、立面布置图,计算出管线的长度、管径及管件型式和数量。

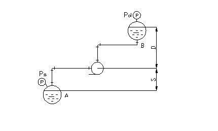
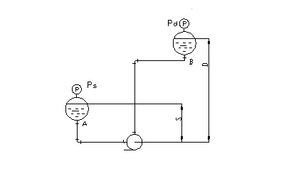
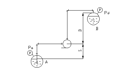
一般管网如下图所示,
D——排出几何高度,m;
取值:高于泵入口中心线:为正;低于泵入口中心线:为负;
S——吸入几何高度,m;
取值:高于泵入口中心线:为负;低于泵入口中心线:为正;
Pd、Ps——容器内操作压力,m液柱(表压);
取值:以表压正负为准
Hf1——直管阻力损失,m液柱;
Hf2——管件阻力损失,m液柱;
Hf3——进出口局部阻力损失,m液柱;
h ——泵的扬程,m液柱

h=D+S+hf1+hf2+h3+Pd-Ps

h= D-S+hf1+hf2+hf3+Pd-Ps

h= D+S+hf1+hf2+hf3+Pd-Ps
计算式中各参数符号的意义
某些工业管材的ε约值见下表
管网局部阻力计算
常用管件和阀件底局部阻力系数ζ
更多动态,请关注我们官方网站:www.asimi8.com,或者关注我们的微信、抖音、快手等平台:asmecn,小编微信号:asimi888,也欢迎大家前来投稿。
ASME中国制造感谢您一直以来的支持, 谢谢!
欢迎关注ASME中国制造
长按二维码
