
泵的布置方式
1. 露天布置
一般将泵集中布置在管廊下方或侧面,也可以布置在被抽吸设备附近, 主要优点是通风良好,操作和堆修方便。若泵布置在管廊下方时,泵出口中心线应对齐,距管廊柱中心线0.6m。
2. 半露天布置
半露天布置的泵适用于多雨地区, 一般在管廊下方布置泵,在管道上部设顶棚。或将泵布置在框架的下层地面上,以框架平台作为顶棚。根据泵的布置要求,将泵布置成单排、双排或多排。
3. 室内布置
室内布置的泵适用于寒冷或多风沙地区,以及工艺有特殊要求的场合。
泵的布置要求
1. 对于露天或半露天布置的泵,一般使泵与原动机的轴线与管廊轴线垂直。
2. 对于室内布置的泵,当其输送液体温度高于自燃点或输送液体为液态烃时,应与其他泵分别布置在各自的房间内,并用防火墙隔开。
泵布置在室内时,一般不考虑机动检修车辆的通行要求。泵端或泵侧与墙之间的净距不宜小于1.2~1.5m,两排泵之间净距不应小于2m。
3. 设备布置图上的定位尺寸,以泵机组的轴线和出口法兰的中心线为基准。设备的标高统一以泵底座的下表面(即泵基础的顶面)标高来表示。注意:各工程公司系统专业计算 NPSHa时是以泵基础的顶面为准,不是泵的进口中心线标高。而泵厂的NPSHr是以泵的进口中心线为准,两者相差泵的中心高。
4. 泵群要排列整齐,推荐以泵的出口中心线取齐。
5. 电气专业与工艺或布置专业应及时协调,在可能时,泵的电机部分应尽可能不在防爆区内,以节省投资。
6. 泵应尽可能靠近供液设备,防止NPSHa较小。
7. 蒸汽往复泵的动力侧和泵侧应留有抽出活塞和拉杆的位置。
8. 立式泵布置在管廊下方或框架下方时,其上方应留出泵体安装和检修所需的空间。
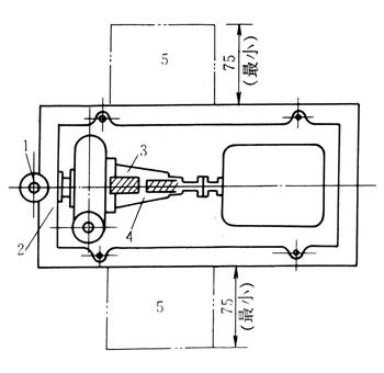
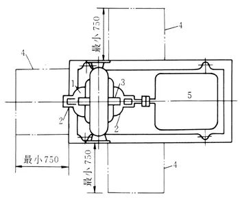
9. 各种离心泵维修检查所需空间见图1、图2和图3。管道布置时,泵的两侧至少要留出一侧做维修用。其他型式泵的维修检查所需空间见图4。

图1 单级离心泵维修检查用空间
1-顶部吸入;2-轴向水平吸入;3-密封压盖;
4-填料箱;5-维修检查用空间

图2 单级双吸离心泵维修检查用空间
1-密封部分;2-填料箱;3-密封压盖;4-维修检查空间;5-电动机

图3 多级离心泵维修检查用空间
1-密封压盖(机械密封);2-填料箱;3-维修检查用空间;4-顶部或侧向吸入;5-电动机

图4 水环式真空泵维修检查用空间
泵的安装间距
两台泵之间的净距不宜小于700mm,泵前端操作通道宽度不应小于1000mm,对于多级泵,泵前端的检修通道宽度不应小于1800mm。一般泵的前端检修通道宽度不应小于1250mm,以便小型叉车通过。
赞是一种友谊 | 分享传递智慧
这里是书香半岛,谢谢你的阅读!
好东西不仅要收藏,更不能忘记分享朋友圈!
免责声明:本文来源于网络,版权归原作者所有。如涉及作品版权问题,请与我们联系,我们将根据您提供的版权证明材料确认版权并于接到证明的一周内予以删除或做相关处理!
长按二维码可识别关注
