2024第四届绿色化工新型催化技术研究与高效催化剂开发应用/上海
CAD制图标准
基本要求主要是图纸、比例、字体和图线的选用。
1、 图样幅画:又称图纸幅画,在计算机进行绘图时,应该配置相应的图样幅画、标题栏、代号栏、附加栏等内容,装配图或安装图上一般应配备明细表内容,工艺流程图上应配备图例等内容。GB/T 14689-93《技术制图图样幅画格式》中已对图样幅画与格式做了详细的规定。在用计算机绘图时,根据实际需要,图样幅画还可以设置以下内容:(1)方向符号:用来确定CAD图样的视图方向。(2)剪切符号:用于对CAD图样的裁剪定位。(3)米制参考分度:用于对图样比例尺寸提供参考。(4)对中符号:用于对CAD图样的方位起到对中作用。对于复杂的CAD装配图在标准中一般要求设置图符分区,图符分区主要用于对图纸存放的图形、尺寸、结构、说明等内容起到查找、定位方便的作用。同时规定在CAD绘图中对图纸有加长加宽要求时,应按基本幅面的短边(B)成整数倍增加。



1、 比例:CAD图样中所采用的比例应该符合国家标准GB/T 14609-93《技术制图比例》的有关规定,具体见表2-2.必要时候也可以选择表2-3中的比例。

1、 字体:CAD制图的字体应该按《技术制图字体》GB/T 14691-93的有关规定,做到字体端正、比画清楚、排列蒸汽、间隔均匀,并要求采用长仿宋矢量字体。代号、符号要符合有关标准规定。(1)字一般要以斜体输出。(2)小数点输出时,应占一个字位,并位于中间靠下处。(3)字母一般也要斜体输出。(4)汉子输出时一般采用正体,并采用国家正是公布的简化汉字方案。(5)标点符号应按照其真正含义正确使用,除省略号、破折号为两个字位外,其余均为一个字位。(6)字体高度由图样幅面大小确定。(7)规定字体的最小字距、行距,以及间隔线、基准线与书写字体间的最小距离。
2、 图线:图线指图线的基本线型和基本线型的变形。GB/T 17450-98《技术制图图线》对图线有详细的说明。
3、 标题栏:标题栏位于图框右下角,其格式在GB/T 10609.1-93《技术制图标题栏》中有详细的规定。

化工制图标准
在化工厂的建设过程中,无论是设计、施工,还是设备的制造、安装,或是生产过程中的试车、检修、技术改造,均离不开化工图样。化工制图是专门研究化工图样的绘制和阅读的一门科学。在化工制图中一般采用《机械制图》的国家标准,《机械制图》标准基本上与CAD图标准一致。
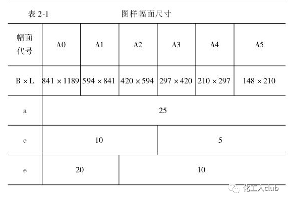
1、图样幅画:国家标准对机械制图的图样幅画的基本规定,是采用A0至A5好图样幅画。同样无论装订与否,均应画出图框线和标题栏。需装订的图样其格式按照如图2-1(a)所示:不需要装订的图样,其格式如图2-1(b)所示。图框线用粗实线绘制,周边各部分尺寸均按照表2-1中的规定。
2、比例:在化工制图中,图样比例仍采用国家标准GB/T 14690-93《技术制图比例》的规定。对某些局部放大图、斜视图、剖视图等,其比例与主视图不同时,应在图样中该图的上方单独进行比例标注。
3、字体:图样中的字体同样采用GB/T 14691-93《技术制图字体》的规定。各类字体必须做到:字体端正、笔画清楚、间隔均匀、排列整齐。字体大小分为1.8,2.5,3.5,5,7,10,14,20八种字号,分别表示不同字体高度(单位:mm),其字宽一般为h/(根号2)。各计量单位、名称应符合《中华人民共和国法定计量单位》的规定。
4、图线:在化工制图中的图线仍采用国家标准规定的各种图线。图线分为粗、细两种,粗线宽度b在0.5~2mm之间选择,细线宽度约为b/3.绘图时根据清晰、醒目、按图形大小和复杂程度选择宽度。但在同一图样中,同类图线的宽度和类型应一致。在实际绘制过程中对图线绘制有如下几点要求:(1)虚线、点划线、双点划线的线段长度及间隔应均匀分布。(2)点划线和双点划线的首末端应是线段而不是点。(3)圆的中心线在圆心处为线段的交点,且中心线两端超出圆轮廓线2~5mm。(4)在较小图形上绘制点划线或双点划线有困难时,可以用细实线代替。
5、标题栏:化工制图中设备图样的标题栏与机械制图的大致相同。标题栏的格式仍采用国家标准《技术制图标题栏》(GB/T 10690.1-93)中的规定格式。在一般情况下,每张图纸的右下角都要有标题栏,用于说明设备的名称及设计等内容。

化工工艺流程图标准
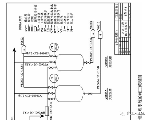
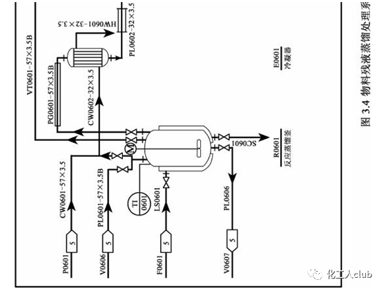
化工工艺流程图是用图示的方法把化工生产的工艺流程和所需的设备、管道、阀门、管件、管道附件及仪表控制点表示出来的一种图样,是设备布置和管道布置设计的依据,也是施工、操作、运行及检修的指南,是化工工艺设计的主要内容。
绘制化工工艺流程图是化工制图的内容之一,因此,国家《机械制图》标准对化工制图的约束,在绘制化工工艺流程图同样有效。但由于化工工艺流程图的特殊性,原化工部对化工工艺流程图制定了一套行业标准HG20591.*-92.标准对图样幅画、标题栏等作了说明,并规定了设备图形、线型、阀门管件图线、图例等的表达方式,设备、管线、仪表等的标注形式等。
1、图样幅画及其他:在化工工艺流程图的绘制过程中,对图样幅画、字体、比例、标题栏等仍采用国家《机械制图》标准,只是对某些特殊的地方进行了一些补充和说明。化工工艺流程图的图样幅画仍采用国家标准对图样幅画的规定,一般化工工艺流程图采用标准中A1规格的图样幅画,横幅绘制。对流程简单着可以采用A2规格的图样幅画。对生产流程过长,在绘制流程图时可以采用标准幅面加长的格式。每次加长为图样宽度的1/4倍,也可以分段分张的流程图格式。在流程图中,设备(机器)一般只取相对比例。允许实际尺寸过大的设备(机器)比例适当缩小,实际尺寸过小的设备(机器)比例适当放大。要示意出各设备间的相对高低。化工工艺流程图的标题栏与机械制图中的标题栏有所不同,原化工部标准对工艺流程图的标题栏规定如图2-3所示。
2、设备的表示方法和标注
2.1设备的表示方法:化工设备与机器的图形表示方法原化工部HG20519.34-92标准中已作了规定。表2-4摘录了标准中的部分图例。在标准中未规定的设备、机器图形可以根据其实际外形和内部结构特征绘制,只取相对大小,不按照实物比例绘制。化工工艺流程图中各设备、机器的位置应便于管道连接和标注,其相互间物料关系密切者的相对高低位置要与设备实际布置相吻合。对于需隔热的设备和机器要在其相应部位画出一段隔热层图例,必要时标注出其隔热等级;管道有伴热的也要在相应的部位画出一段伴热管,必要时可标注出伴热类型和介质代号。地下或半地下的设备、机器在化工工艺流程图上要表示出一段相关的地面。设备、机器的支承和底座可不表示。
2.2设备的标注:设备一般在两个地方标注:一是在设备的上方或下方惊醒标注,要求排列整齐,并尽可能正对设备。标注形式如分式,在位号的上方(分子)标注设备位号,在位号的下方(分母)标注设备名称。二是在设备内或其近旁进行标注,仅标注设备位号,不标注设备名称。设备位号由设备分类代号、车间或工段号、设备序号和相同设备序号组成,如图2-4所示。对于同一设备,在不同设计阶段必须是同一位号。原化工部标准HG20519.35-92对设备有规定,如图2-4所示。






3、管道的表示方法和标注
3.1管道的表示方法:在化工工艺流程图中是用线段表示管道的,常称为管线。在原化工部HG20592.28-92和HG20519.32-92标准中对管道的图例、线型及线宽做出了规定,图例如表2-5所示。在每根管线上都要以箭头表示其物料流向。图中管线与其他图纸有关时,一般应将其端点绘制在图的左方或右方,并在左方或者右方的管线上用空心箭头标出物料的流向(入或出),空心箭头内注明其连接图纸的图号或序号,在其附近注明来或去的设备位号或管道号。空心箭头画法如图2-5所示。在化工工艺流程图中管线的绘制应成正交模式,即管线画成水平或直线,管线相交和拐弯均画成直角。在管线交叉时,应该将一根管线断开,如图2-6所示。另外应该尽量避免管线穿过设备。


3.2管线标注:管线标注是用一组符号标注管道的性能特征。这组符号包括物料代号、工段号、管段序号和管道尺寸等,如图2-7所示。在图2-7中,物料代号、工段号和管段序号这三个单元称为管道号(或管段号)。按原化工部HG20519.36-92标准中规定的物料代号如表2-6所示。管道外径和壁厚构成管道尺寸,管道尺寸以mm为单位,只标注数字,不标注单位。在管道尺寸后应标注管道材料代号,管道材料代号如表2-7所示。管道等级代号和隔热隔音代号可分别参见原化工部HG20519.36-92和HG20519.38-92标准。表2-8至表2-10给出了温度使用范围和隔热隔音代号等单元可省略,此时只在管道尺寸后标注管道材料代号。每根管线(即由管道一端管口至另一端管口之间的管道)都应进行标注。对横向管线,一般标注在管线的的上方;对竖向的管线一般标注在管道的左侧,也可以用指引线引出标注。

4、阀门、管件喝管道附件的表示方法:在化工工艺流程图中,一般用细实线按规定的图形符号全部绘制出管道上的阀门、管件和管道附件(但不包括管道之间的连接件,如弯头、三通、法兰等),但为安装和检修等原因所加的法兰、螺纹连接件等仍要画出。原化工部HG20919.32~33-92标准给出了阀门、管件和管道附件的图形符号,见表2-11所示。其中阀门图形符号一般长为6mm,宽为3mm,或长为8mm,宽为4mm。
5、仪表、控制点的表示方法:在化工工艺流程图上要会出和标注全部与工艺相关的检测仪表、调节控制系统、分析取样点和取样阀等。这些仪表控制点用细实线在相应管线上的大致安装位置用规定的符号画出。该符号包括仪表图形符号和字母代号,它们组合起来表示工业仪表所处理的被测变量和功能。仪表的图形符号为一直径10mm的细实线圆圈,圆圈中标注仪表位号。仪表位号由两部分组成:一部分为字母组合代号。字母组合代号的第一个字母表示被测变量,后继字母表示仪表的功能;另一部分为工段序号。工段序号由工序号和顺序号组成,一般用3~5位阿拉伯数字表示。字母组合贷还填写在仪表圆圈的上半圆中。工段序号填写在下半圆中。表示仪表安装位置的图形符号见表2-12所示。
原化工部HG20519-92标准给出了被测变量及仪表功能代号,表2-13列出常用被测变量以及仪表功能组合代号。
控制点(测量点)是仪表圆圈的连接引线与过程设备或管道符号的连接点。仪表通过连接点和引线获得设备或管道内的物流参数。





























编辑:化工新材料技术荟集地
素材来源于网络,仅用于学习、交流,如有侵权请告知删除。
谢谢你看完文章,还请点亮【赞】+【在看】分享给更多人看到。